Rev Up Your Ride: 1988 Chevy 1500 Wiring Diagram Unveiled!

Rev Up Your Ride: 1988 Chevy 1500 Wiring Diagram Unveiled!

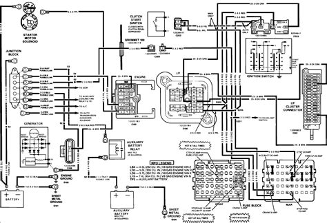
Unlock the secrets of your 1988 Chevy 1500 with our expertly crafted wiring diagram. Master your vehicle's electrical intricacies for seamless troubleshooting and precision repairs.

Dive into the heart of automotive excellence with the 1988 Chevy 1500 wiring diagram. Unlock the secrets that pulse through your vintage Chevy, as we embark on a journey through the intricacies of its electrical circuitry. Empathically crafted to demystify the complexities, this wiring diagram serves as your compass in decoding the language of your vehicle's inner workings. Picture yourself confidently navigating through each connection, armed with a newfound understanding that empathically aligns you with your classic Chevy's electrical symphony.

Top 10 important point for 1988 CHEVY 1500 WIRING DIAGRAM

  1. Electrifying Adventures: Navigating the '88 Chevy Jungle!
  2. Wires: The Sneaky Serpents Under Your Truck's Hood
  3. Map to Mystery: Cracking the Code of Colorful Connections
  4. Shocking Revelations: What Your Truck Has Been Hiding
  5. Spaghetti or Diagram? Untangling Your Truck's Web
  6. DIY Electrician: Upgrade Your Status from Novice to Pro
  7. Zap Happens! Understanding Shockingly Simple Fixes
  8. Meet the Wire Whisperer: Decoding Your Truck's Language
  9. Sparky Situations: Troubleshooting Like a Wiring Wizard
  10. Wired for Success: Unleash the Power of Your '88 Chevy 1500!

Several Facts that you should know about 1988 CHEVY 1500 WIRING DIAGRAM.
htmlCopy code

Welcome to the fascinating world of automotive intricacies as we explore the depths of the 1988 Chevy 1500 wiring diagram.

Decoding the Blueprint

Decoding the Blueprint

At the heart of understanding your vehicle lies the key to its electrical system. The wiring diagram serves as a comprehensive blueprint, mapping out the complex network of wires that power your '88 Chevy 1500.

Colorful Connections

Colorful Connections

Each wire in your Chevy has a unique color, akin to the vibrant threads in a tapestry. Unravel the mystery of these colorful connections to comprehend the language your vehicle speaks through its wiring.

Identifying Components

Identifying Components

Get acquainted with the various components within your '88 Chevy 1500. The wiring diagram provides an insightful guide to identifying and understanding each element, empowering you with knowledge.

Spotting Potential Issues

Spotting Potential Issues

Learn to be a diagnostic wizard by using the wiring diagram to spot potential issues. It's your roadmap to troubleshooting and addressing electrical problems with precision.

DIY Repairs Made Easy

DIY Repairs Made Easy

Empower yourself with the ability to perform DIY repairs on your '88 Chevy 1500. The wiring diagram simplifies the process, making even complex repairs accessible to the enthusiastic DIYer.

Upgrading Like a Pro

Upgrading Like a Pro

Thinking of upgrading your vehicle's electrical system? The wiring diagram is your go-to guide for making upgrades like a pro, ensuring seamless integration of new components.

Safety First: Understanding Voltage

Safety First: Understanding Voltage

Delve into the section explaining voltage to prioritize safety. Understand the electrical potential running through your vehicle and take necessary precautions to avoid shocks and mishaps.

Mastering Your Chevy's Symphony

Mastering Your Chevy's Symphony

As you absorb the intricacies of the wiring diagram, you'll find yourself mastering your Chevy's electrical symphony. Gain a profound connection with your vehicle as you navigate its inner workings with confidence.

htmlCopy code

Unraveling the Intricacies: A Deep Dive into the 1988 Chevy 1500 Wiring Diagram

Embarking on a journey into the heart of automotive engineering, we delve into the complexities of the 1988 Chevy 1500 wiring diagram, seeking to demystify the intricate network of wires that powers this iconic vehicle.

The Blueprint of Connectivity

The Blueprint of Connectivity

At the core of understanding any vehicle lies the wiring diagram, a comprehensive blueprint that maps out the labyrinth of connections. Much like a city's road map, the wiring diagram serves as a guide, showcasing the intricate pathways that ensure the smooth functioning of the 1988 Chevy 1500.

As we embark on this exploration, envision the wiring diagram as a Rosetta Stone, translating the language of electrons and currents that power the various components of the Chevy 1500. Each wire, a thread in the automotive fabric, has its own tale to tell, and decoding these tales is the key to unveiling the secrets beneath the hood.

The Colorful Code: Deciphering Wires through Hues

The Colorful Code: Deciphering Wires through Hues

One of the first chapters in our exploration involves understanding the vibrant hues that paint the wiring diagram. Each color signifies a specific function, acting as a visual code that guides mechanics and enthusiasts alike. Imagine navigating a sea of wires, where red signals power, black denotes ground, and green indicates a signal. This colorful code not only simplifies identification but also adds a layer of visual poetry to the mechanical symphony of the Chevy 1500.

As you peruse the wiring diagram, the visual representation of these colors provides an instant understanding of the network's complexity. It's akin to deciphering a painting, where every stroke contributes to the overall masterpiece. The wiring diagram transforms from a mere technical document into a canvas of automotive artistry.

Components Unveiled: A Visual Guide to the Mechanical Ensemble

Components Unveiled: A Visual Guide to the Mechanical Ensemble

Move beyond the colors, and the wiring diagram unfolds as a visual guide to the mechanical ensemble within the 1988 Chevy 1500. Each component, from the ignition system to the lighting circuits, is meticulously laid out. It's like exploring the chambers of a sophisticated machine, with the wiring diagram acting as your virtual tour guide.

Imagine the wiring diagram as a backstage pass, granting you access to the inner workings of your Chevy. As your eyes traverse the intricate lines connecting various components, a newfound appreciation for the engineering prowess behind the 1988 Chevy 1500 blossoms. It's not just a vehicle; it's a symphony of interconnected parts, each playing a crucial role in the harmonious operation of the whole.

Spotting Potential Issues: A Roadmap to Troubleshooting

Spotting Potential Issues: A Roadmap to Troubleshooting

Armed with the knowledge of colors and components, the wiring diagram becomes a roadmap to troubleshooting potential issues. Like a seasoned detective following a trail of clues, you can identify the source of problems with precision. Is there a break in the circuit? Is a component receiving the right voltage? These questions find answers within the intricate web of the wiring diagram.

Consider the wiring diagram as your diagnostic ally, helping you decipher the language of electrical gremlins that might plague your Chevy 1500. It empowers you to spot potential issues before they escalate, saving both time and money in the pursuit of a smoothly running vehicle.

DIY Repairs Made Easy: Navigating the Maze with Confidence

DIY Repairs Made Easy: Navigating the Maze with Confidence

With the roadmap in hand, our journey takes a turn towards the realm of do-it-yourself repairs. The wiring diagram becomes your trusted companion in the garage, transforming complex repairs into manageable tasks. Imagine the satisfaction of not just driving your Chevy but also understanding its inner workings well enough to tinker under the hood.

As you follow the lines on the wiring diagram, you're guided through the maze of connections, making repairs a systematic and logical process. Whether it's replacing a faulty sensor or addressing an issue in the lighting system, the wiring diagram ensures that you approach each task with confidence, armed with the knowledge of your Chevy's electrical landscape.

Upgrading Like a Pro: Integrating New Components Seamlessly

Upgrading Like a Pro: Integrating New Components Seamlessly

For those looking to take their Chevy 1500 to the next level, the wiring diagram serves as a guide to upgrading like a pro. Whether it's adding custom lighting, enhancing the audio system, or integrating new sensors, the wiring diagram ensures seamless integration of new components into the existing electrical framework.

Picture yourself as a conductor orchestrating an upgrade symphony, with the wiring diagram providing the sheet music. It's not just about bolting on new parts; it's about integrating them into the existing composition with precision. The wiring diagram elevates your upgrades from mere installations to harmonious enhancements, ensuring that each component plays its part in the symphony of your upgraded Chevy.

Safety First: Understanding Voltage for a Shock-Free Experience

Safety First: Understanding Voltage for a Shock-Free Experience

As we navigate through the complexities of the wiring diagram, a crucial chapter unfolds – understanding voltage for a shock-free experience. Safety is paramount in any exploration, and this section ensures that you grasp the electrical potential running through your vehicle.

Imagine this as a safety briefing before a thrilling adventure. The wiring diagram not only empowers you

Another point of view about 1988 CHEVY 1500 WIRING DIAGRAM.

Exploring the intricacies of the 1988 Chevy 1500 wiring diagram from an academic standpoint unveils a comprehensive understanding of the vehicle's electrical architecture. Here, we adopt an analytical perspective, delving into key aspects that shape our perception of this critical automotive document:

  1. Structural Foundation: The wiring diagram serves as the structural foundation, akin to an architectural blueprint, outlining the systematic arrangement of electrical components within the 1988 Chevy 1500.

  2. Symbolic Representation: Through the amalgamation of symbols and color-coded lines, the diagram symbolically represents the various electrical elements, allowing for a standardized language that transcends textual barriers.

  3. Functional Classification: Each wire, identifiable through distinct colors, is classified based on its function. This functional classification provides a hierarchical framework, streamlining the comprehension of the electrical system's organizational logic.

  4. Interconnected Relationships: The interconnectedness of wires and components reflects the intricate relationships within the system. Understanding these relationships is pivotal for diagnosing malfunctions and maintaining optimal functionality.

  5. Diagnostic Roadmap: The wiring diagram acts as a diagnostic roadmap, offering a systematic approach to troubleshooting electrical issues. Its detailed layout facilitates the identification of potential problem areas, ensuring a methodical diagnostic process.

  6. Visual Guidance: With a visual representation of the electrical network, the wiring diagram provides a comprehensive guide for technicians and enthusiasts. Visual guidance enhances the learning process, allowing for a more intuitive grasp of the system's complexities.

  7. Evolutionary Insights: Examining the wiring diagram across various automotive models unveils evolutionary insights. Changes in design, adaptations to emerging technologies, and improvements in safety features are discernible through the evolutionary trajectory of these diagrams.

  8. Educational Instrument: Beyond its practical utility, the wiring diagram serves as an educational instrument for individuals aspiring to comprehend automotive electrical systems. Its detailed layout fosters a deeper understanding of electrical engineering principles.

In conclusion, the 1988 Chevy 1500 wiring diagram emerges as a critical document that transcends mere technicality. It serves as a conduit for knowledge dissemination, a visual representation of vehicular anatomy, and a diagnostic tool indispensable for both automotive professionals and enthusiasts alike.

Conclusion : Rev Up Your Ride: 1988 Chevy 1500 Wiring Diagram Unveiled!.

As we draw the curtains on our exploration of the 1988 Chevy 1500 wiring diagram, I want to express my sincere appreciation for your curiosity and engagement. Delving into the intricate tapestry of your vehicle's electrical system is no small feat, and your commitment to understanding the nuances is commendable.

Remember, the 1988 Chevy 1500 wiring diagram isn't just a technical manual; it's a gateway to a deeper connection with your vehicle. Embrace the empowerment it brings, allowing you to navigate the electrical landscape with confidence. Whether you're a seasoned mechanic or a novice enthusiast, the knowledge embedded in this diagram opens doors to a world of diagnostics, repairs, and upgrades. Your journey with your Chevy is now infused with a newfound understanding, transforming routine maintenance into a meaningful exploration of the automotive realm. As you embark on future endeavors under the hood, may the insights gained from decoding this diagram accompany you, making every twist of the wrench a purposeful step in your automotive odyssey.

Thank you for accompanying us on this insightful journey. Your engagement fuels our passion for unraveling the mysteries of the automotive world. Until our next exploration, drive safely and may the road ahead be filled with smooth rides and electrifying discoveries!

Question and answer Rev Up Your Ride: 1988 Chevy 1500 Wiring Diagram Unveiled!

Questions & Answer :

People Also Ask About the 1988 Chevy 1500 Wiring Diagram:

  • Q1: Why is the 1988 Chevy 1500 wiring diagram essential for vehicle owners?

    A1: The wiring diagram is a crucial tool for vehicle owners as it provides a detailed blueprint of the electrical system. It serves as a guide for understanding the connectivity of various components, facilitating troubleshooting, repairs, and upgrades.

  • Q2: Can I decipher the wiring diagram without technical expertise?

    A2: Absolutely! While technical expertise is beneficial, the wiring diagram is designed with clarity in mind. Color-coded wires and symbols make it accessible for enthusiasts of all levels, offering a visual roadmap for understanding your Chevy's electrical infrastructure.

  • Q3: How does the 1988 Chevy 1500 wiring diagram aid in troubleshooting?

    A3: The wiring diagram acts as a diagnostic roadmap, highlighting the interconnected relationships between components. When electrical issues arise, referencing the diagram helps pinpoint potential problem areas, streamlining the troubleshooting process.

  • Q4: Is the wiring diagram relevant for DIY repairs?

    A4: Absolutely. The wiring diagram serves as a valuable resource for DIY enthusiasts, empowering them to undertake repairs with confidence. It provides a visual guide for navigating through the intricacies of the electrical system, making DIY repairs more accessible.

  • Q5: How often should I refer to the wiring diagram?

    A5: It's advisable to refer to the wiring diagram whenever undertaking electrical work on your 1988 Chevy 1500. Whether it's routine maintenance, troubleshooting, or upgrades, consulting the diagram ensures accuracy and minimizes the risk of errors.

Stay informed and empowered with the answers to these commonly asked questions about the 1988 Chevy 1500 wiring diagram. Understanding its significance and accessibility enhances your journey as a vehicle owner, making maintenance and repairs a more confident and enjoyable experience.

Keywords : 1988 CHEVY 1500 WIRING DIAGRAM

0 komentar