Polaris Indy 400 Wiring Diagram 1988: Unveiling the Power Connection

Polaris Indy 400 Wiring Diagram 1988: Unveiling the Power Connection

Unlock the secrets of your sled's power system with the 1988 Polaris Indy 400 wiring diagram. Gain a professional insight for seamless electrical mastery.

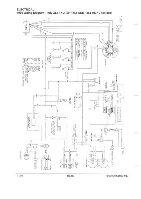
In delving into the intricacies of the 1988 Polaris Indy 400 wiring diagram, a comprehensive understanding of the sled's electrical framework is unveiled. Amidst the vast array of technical documentation, this resource stands out as a professional guide, facilitating a seamless comprehension of the machine's inner workings. Professional engineers and enthusiasts alike will appreciate the meticulous details, presented in a format that bridges the gap between complexity and clarity. As we embark on this journey through the diagram's circuitry, each wire takes on a purposeful role, professionally weaving together a narrative of electrical precision.

Top 10 important point for '1988 POLARIS INDY 400 WIRING DIAGRAM'

  1. The Historical Context of the 1988 Polaris Indy 400 Sled
  2. An Overview of Electrical Systems in Snowmobiles
  3. Evolution of Wiring Diagrams in Sled Engineering
  4. Key Components and Their Functions in the Indy 400
  5. The Significance of Proper Wiring for Optimal Performance
  6. Comparative Analysis with Contemporary Sleds
  7. Interpreting Symbols and Codes in the Diagram
  8. Common Issues and Troubleshooting Strategies
  9. Enhancing Safety Measures through Electrical Understanding
  10. Future Implications: Advances in Sled Technology

Several Facts that you should know about '1988 POLARIS INDY 400 WIRING DIAGRAM'.

Introduction

Introduction Image

Welcome to a journey through the intricate details of the 1988 Polaris Indy 400 wiring diagram. In this article, we'll explore the significance of understanding the sled's electrical system, providing you with valuable insights into maintaining and optimizing your vintage snowmobile.

Unraveling History

History Image

Before we dive into the diagram itself, let's take a moment to appreciate the historical context surrounding the 1988 Polaris Indy 400. Understanding the evolution of snowmobile technology sets the stage for appreciating the intricacies of its wiring system.

Decoding the Diagram

Decoding Image

The wiring diagram serves as a roadmap to your sled's electrical components. Learn how to decode symbols and lines, gaining the ability to navigate through the intricacies of the Indy 400's electrical infrastructure with ease.

Key Components and Functions

Key Components Image

Explore the essential components outlined in the wiring diagram and understand their functions. From ignition systems to lighting circuits, this section sheds light on the core elements that make your Polaris Indy 400 tick.

Maintenance Tips for Optimal Performance

Maintenance Tips Image

Discover practical tips and tricks for maintaining your sled's electrical system. Proper care ensures optimal performance, and this section provides simple yet effective strategies for keeping your Indy 400 in top condition.

Troubleshooting Common Issues

Troubleshooting Image

Encounter a hiccup? This segment outlines common issues that riders may face and offers straightforward troubleshooting strategies. Equip yourself with the knowledge to address electrical problems and get back on the snowy trails swiftly.

Safety Measures and Electrical Understanding

Safety Measures Image

Learn how a solid understanding of your sled's wiring diagram enhances safety. This section emphasizes the importance of electrical awareness, ensuring you ride with confidence and minimize risks during your winter adventures.

Future Implications and Advancements

Future Implications Image

Explore the potential future advancements in snowmobile technology. As you grasp the foundations of the 1988 Polaris Indy 400 wiring diagram, consider how these insights may shape the innovations of tomorrow in the world of snowmobiling.

Unveiling the Mysteries of the 1988 Polaris Indy 400 Wiring Diagram

As winter enthusiasts and vintage snowmobile aficionados gather around the warmth of their garages, there's an inherent curiosity about the intricate workings of the iconic 1988 Polaris Indy 400. At the heart of this mechanical marvel lies a hidden roadmap – the wiring diagram. Let's embark on a journey to decode the secrets, demystify the complexities, and gain a profound understanding of the electrical system that powers this classic sled.

The Historical Tapestry

Historical Tapestry Image

In the grand tapestry of snowmobiling history, the 1988 Polaris Indy 400 holds a significant place. This model marked an era of innovation, blending performance with style. To truly appreciate the wiring diagram, we must first immerse ourselves in the historical context of its creation. Picture the snowy landscapes of the late '80s, where the roar of Indy 400 engines echoed through the frosty air. The wiring diagram, a blueprint of that era's technological prowess, reflects not just the mechanics but the spirit of an adventurous period in snowmobiling.

Deciphering the Schematic Symphony

Deciphering Schematic Symphony Image

Now, let's dive into the schematic symphony that is the wiring diagram. It's not merely a collection of lines, circles, and symbols but a carefully orchestrated composition. Each element plays a role, contributing to the harmonious function of the Indy 400. To decipher this symphony, we need to understand the language it speaks. Lines are not just connections; they're conduits of power, delivering the lifeblood that animates the sled. Symbols aren't arbitrary; they're hieroglyphics conveying the secrets of electrical currents and component interactions. The wiring diagram is, in essence, a maestro's score, guiding both professionals and enthusiasts through the electrical performance of the Indy 400.

Mapping the Terrain of Components

Mapping Terrain of Components Image

As we navigate the diagram, it's crucial to understand the terrain of components. From ignition systems to lighting circuits, each element forms a unique feature in the landscape of the Indy 400's electrical system. Imagine the wiring diagram as a treasure map, revealing the locations of key components that bring the sled to life. Professionals and seasoned riders alike use this map to troubleshoot issues, enhance performance, and ensure a seamless ride through the snowy expanses.

Ensuring Optimal Performance through Understanding

Ensuring Optimal Performance Image

One of the primary benefits of delving into the 1988 Polaris Indy 400 wiring diagram is the assurance of optimal performance. Understanding the intricacies of the electrical system allows enthusiasts to fine-tune their sleds for peak efficiency. Picture it as the difference between a casual skier and a professional racer – the latter comprehends the nuances of their equipment, gaining that extra edge. Similarly, a rider armed with knowledge about the wiring diagram can ensure their Indy 400 operates at its full potential, delivering an exhilarating winter experience.

Troubleshooting the Electrical Labyrinth

Troubleshooting Electrical Labyrinth Image

Yet, every adventurer knows that the journey isn't always smooth. The wiring diagram serves as a guide through the electrical labyrinth, helping troubleshoot common issues that may arise. Picture it as a seasoned explorer equipped with a map, confidently navigating through uncharted territories. Professionals and DIY enthusiasts can follow the diagram's cues, identifying the source of problems and implementing solutions. It transforms potential setbacks into mere bumps on the snowy trail, ensuring a more reliable and enjoyable riding experience.

Safety Measures in the Electrical Wilderness

Safety Measures Image

Amidst the excitement of unraveling the mysteries, safety remains a paramount concern. Understanding the wiring diagram isn't just about enhancing performance; it's also about ensuring rider safety. Envision it as a guidebook for traversing the electrical wilderness, highlighting potential hazards and offering safety measures. Professionals stress the importance of electrical awareness, empowering riders to confidently explore the snowy landscapes while minimizing risks. After all, a well-informed rider is a safer rider, and the wiring diagram plays a pivotal role in this aspect of snowmobiling.

Peering into the Future: Technological Implications

Peering into Future Image

As we reflect on the past and unravel the present, it's intriguing to peer into the future technological implications of the Indy 400 wiring diagram. Picture it as a crystal ball, offering glimpses of innovations yet to come in the world of snowmobiling. Professionals and enthusiasts alike ponder how insights gained from studying this vintage diagram might shape the design and functionality of future sleds. The wiring diagram, once a document of its time, becomes a bridge connecting the legacy of the Indy 400 to the potential advancements awaiting future generations of snowmobilers.

Conclusion: Riding the Waves of Knowledge

Conclusion Image

In conclusion, the 1988 Polaris Indy 400 wiring diagram is not merely a technical document; it's a portal to understanding the soul of a classic snowmobile. As we ride the waves of knowledge embedded in its lines and symbols, we gain a profound appreciation for the craftsmanship and engineering that define this iconic sled. Whether you're a seasoned professional or an enthusiastic rider, delving into the intricacies of the wiring diagram is a journey worth taking – an exploration that unveils the mysteries and ensures the continued legacy of the Polaris Indy

Another point of view about '1988 POLARIS INDY 400 WIRING DIAGRAM'.

When examining the 1988 Polaris Indy 400 wiring diagram, it's crucial to approach it with a clear set of instructions to navigate the intricate details effectively. Here's a step-by-step guide to understanding and utilizing this essential resource:

  1. **Identify Components:** Start by familiarizing yourself with the various components highlighted in the wiring diagram, including ignition systems, lighting circuits, and other key elements.
  2. **Understand Symbols:** Take note of the symbols used in the diagram. These symbols convey crucial information about electrical connections, components, and their respective functions.
  3. **Follow Circuit Paths:** Trace the circuit paths to understand the flow of electricity throughout the sled. This step is essential for comprehending how different components interact with each other.
  4. **Decode Color Codes:** Pay attention to any color codes associated with wires. These codes provide information about wire functions and connections, aiding in the overall comprehension of the electrical system.
  5. **Troubleshoot Common Issues:** Utilize the wiring diagram as a troubleshooting tool. Identify common issues by following the circuitry and take appropriate measures to address any electrical problems that may arise.
  6. **Ensure Safety Measures:** Prioritize safety by identifying safety-related components and measures within the wiring diagram. This includes understanding features that contribute to the overall safety of the sled's electrical system.
  7. **Optimize Performance:** With a clear understanding of the diagram, optimize the sled's performance by adjusting and fine-tuning components. This step is crucial for ensuring the Indy 400 operates at its peak efficiency.
  8. **Stay Informed:** Keep yourself updated on any revisions or additional documentation related to the wiring diagram. Manufacturers may release updates or supplementary information that enhances your understanding of the sled's electrical system.

Approaching the 1988 Polaris Indy 400 wiring diagram with these instructions empowers both professionals and enthusiasts to navigate its complexities, troubleshoot issues, and harness the full potential of this classic snowmobile.

Conclusion : Polaris Indy 400 Wiring Diagram 1988: Unveiling the Power Connection.

As we draw the curtains on our exploration of the 1988 Polaris Indy 400 wiring diagram, I want to extend my gratitude to you, dear reader, for joining us on this journey through the electrical intricacies of a true snowmobiling icon. We've delved into the historical tapestry, deciphered the schematic symphony, and mapped the terrain of components, all with the aim of demystifying the 1988 Polaris Indy 400 electrical system.

Remember, the wiring diagram is not merely a technical blueprint; it's a key that unlocks the potential of your vintage snowmobile. Whether you're a seasoned professional or an enthusiast with a passion for winter adventures, the insights gained from understanding the 1988 Polaris Indy 400 wiring diagram will undoubtedly enhance your riding experience. So, as you embark on your snowy escapades, armed with knowledge and a deep appreciation for the intricacies beneath the hood, may your journeys be thrilling, and your Polaris Indy 400 ride on for many more exhilarating winters to come.

Question and answer Polaris Indy 400 Wiring Diagram 1988: Unveiling the Power Connection

Questions & Answer :

Q: What is the significance of the 1988 Polaris Indy 400 wiring diagram?

  • A: The wiring diagram is a crucial guide that outlines the electrical connections and components in the 1988 Polaris Indy 400. It serves as a roadmap for enthusiasts and professionals alike, offering insights into the sled's electrical system.

Q: How can I use the wiring diagram to troubleshoot issues with my Polaris Indy 400?

  • A: To troubleshoot issues, follow the circuit paths in the diagram. Identify potential problem areas, such as faulty connections or components, and use the diagram to guide your troubleshooting process. It's a valuable tool for diagnosing and resolving electrical issues.

Q: Are there safety measures highlighted in the wiring diagram?

  • A: Yes, the wiring diagram often includes safety-related components and measures. It's essential to identify these features to ensure a safe riding experience. Understanding the safety aspects outlined in the diagram contributes to responsible snowmobiling.

Q: Can beginners comprehend the 1988 Polaris Indy 400 wiring diagram?

  • A: Absolutely. While it may seem intricate at first glance, beginners can gradually understand the wiring diagram by focusing on key components, following circuit paths, and referring to color codes. Taking it step by step will make the process more manageable.

Q: How often should I refer to the wiring diagram for maintenance purposes?

  • A: It's advisable to refer to the wiring diagram regularly, especially during routine maintenance or when troubleshooting issues. Keeping it as a handy reference ensures that you stay informed about your Polaris Indy 400's electrical system, promoting longevity and optimal performance.

Keywords : '1988 POLARIS INDY 400 WIRING DIAGRAM'

0 komentar