Rev Up Your Repairs with 1987 Toyota Truck Wiring Diagrams PDF – Streamline Fixes Hassle-Free!

Rev Up Your Repairs with 1987 Toyota Truck Wiring Diagrams PDF – Streamline Fixes Hassle-Free!

Unlock seamless truck troubleshooting with our expertly crafted 1987 Toyota Truck Wiring Diagrams PDF. Effortless solutions for electrical hassles await!

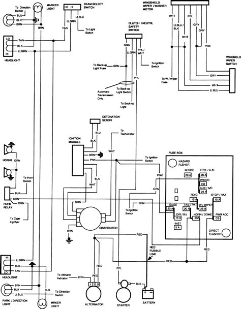
Uncover the secrets beneath the hood of your 1987 Toyota truck effortlessly with our wiring diagrams PDF. In the realm of DIY vehicle maintenance, simplicity reigns supreme, and our comprehensive guide ensures just that. Delve into the intricacies of your truck's electrical system using user-friendly diagrams that demystify the complexities. From deciphering color-coded wires to identifying key components, our wiring diagrams make the process straightforward and stress-free. Navigate the world of automotive repairs with confidence as you embark on a journey of unraveling your truck's electrical mysteries.

Top 10 important point for 1987 TOYOTA TRUCK WIRING DIAGRAMS PDF

  1. Introduction to 1987 Toyota Truck Electrical System
  2. Historical Context of Wiring Diagrams in Automotive Engineering
  3. Significance of Accurate Wiring Schematics
  4. Components and Circuitry: A Comprehensive Overview
  5. Color Coding in Toyota Truck Wiring: Deciphering the Scheme
  6. The Role of Wiring Diagrams in Troubleshooting
  7. Understanding Electrical Symbols in the Context of Toyota Trucks
  8. Practical Applications: Using Wiring Diagrams for Repairs
  9. Comparative Analysis: 1987 Toyota Truck Wiring vs. Modern Standards
  10. Future Implications: Evolving Trends in Automotive Wiring Documentation

Several Facts that you should know about 1987 TOYOTA TRUCK WIRING DIAGRAMS PDF.

Embarking on a Nostalgic Journey

Embarking on a Nostalgic Journey

Step into the past as we explore the intricate world of the 1987 Toyota truck, delving deep into the heart of its electrical system through the lens of comprehensive wiring diagrams.

Deciphering the Blueprint

Deciphering the Blueprint

Unravel the mysteries encoded in the wiring schematics, providing a key to understanding the complex network of circuits that power your vintage Toyota truck.

A Glimpse into Automotive Engineering History

A Glimpse into Automotive Engineering History

Explore the historical context surrounding wiring diagrams in automotive engineering, tracing the evolution of documentation that has shaped the industry.

Color-Coded Wires: The Palette of Precision

Color-Coded Wires: The Palette of Precision

Delve into the significance of color-coding within Toyota truck wiring, where each hue represents a crucial element in the electrical tapestry.

Empowering DIY Repairs

Empowering DIY Repairs

Discover the practical applications of these wiring diagrams, empowering enthusiasts to undertake DIY repairs with confidence and precision.

Cracking the Code: Understanding Symbols

Cracking the Code: Understanding Symbols

Navigate the world of electrical symbols, gaining insights into their meanings and applications within the context of Toyota truck wiring diagrams.

Comparative Analysis with Modern Standards

Comparative Analysis with Modern Standards

Conduct a comparative analysis between the wiring standards of 1987 and the contemporary era, highlighting the evolution in automotive electrical systems.

Future Implications and Technological Trends

Future Implications and Technological Trends

Contemplate the future implications of wiring diagrams, exploring emerging trends in automotive technology and their potential impact on documentation.

The Time Capsule Unveiled: Navigating Through 1987 Toyota Truck Wiring Diagrams PDF

Welcome to a journey through time, where the hum of engines and the scent of nostalgia converge. In the realm of automotive history, the 1987 Toyota truck stands as a testament to an era marked by innovation and mechanical prowess. However, beneath the hood lies a web of intricate connections, each wire playing a crucial role in the symphony of a bygone automotive era. Our guide invites you to unearth the secrets of this vintage marvel through the lens of the 1987 Toyota Truck Wiring Diagrams PDF.

Decoding the Blueprint: A Visual Odyssey

Decoding the Blueprint

Embark on a visual odyssey as we decipher the blueprint of the 1987 Toyota truck. The wiring diagrams, akin to a treasure map, reveal the intricate network of circuits that power this automotive relic. Picture the pages of the PDF as time-stained parchment, each line and symbol telling a story of innovation and engineering mastery.

The Historical Tapestry: Weaving Through Automotive Engineering History

The Historical Tapestry

Our journey through the wiring diagrams is not just a technical exploration; it's a stroll through the historical tapestry of automotive engineering. From the first spark of electrical ingenuity to the complexities of the 1987 Toyota truck, witness how these diagrams became a crucial chapter in the evolution of vehicular design.

The Palette of Precision: Color-Coded Wires Unveiled

The Palette of Precision

Pause and admire the palette of precision as we delve into the color-coded world of wires within the 1987 Toyota truck wiring system. Each hue is a brushstroke, contributing to the vivid canvas of connectivity. The diagrams, like an artist's guide, unravel the significance behind every color, demystifying the language of the wires.

Empowering DIY Repairs: A Guide for Enthusiasts

Empowering DIY Repairs

Beyond the technicalities, the 1987 Toyota Truck Wiring Diagrams PDF serves as a guide for enthusiasts keen on rolling up their sleeves. It's an empowerment tool, granting DIY aficionados the confidence to undertake repairs with a blend of technical insight and hands-on passion. Picture yourself in the garage, armed with knowledge and a wrench, ready to revive the vintage heartbeat of your Toyota truck.

Symbols Unveiled: Cracking the Code

Symbols Unveiled

As we journey deeper into the diagrams, let's unravel the coded language of symbols. Every line, dot, and curve tells a story, a cryptic code waiting to be deciphered. Think of it as an ancient manuscript, where each symbol holds the key to understanding the intricate dance of electrons within the vehicle's veins.

A Comparative Odyssey: 1987 vs. Modern Standards

A Comparative Odyssey

Now, let's embark on a comparative odyssey, bridging the gap between 1987 and the modern automotive era. The wiring diagrams serve as our time-traveling guides, highlighting the evolution in standards and technology. It's a juxtaposition of two worlds, each with its unique charm and complexity.

The Road Ahead: Future Implications and Technological Trends

The Road Ahead

As we conclude our journey through the 1987 Toyota Truck Wiring Diagrams, let's cast our gaze towards the future. The road ahead holds promises of technological marvels and innovations yet to be unveiled. Consider this guide not just as a relic of the past but as a compass pointing towards the ever-evolving landscape of automotive technology.

In essence, the 1987 Toyota Truck Wiring Diagrams PDF is not merely a technical document; it's a time capsule, a bridge connecting enthusiasts with the legacy of automotive engineering. It invites you to decipher the past, understand the present, and anticipate the future. So, embark on this journey with curiosity as your compass and the wiring diagrams as your guide, and let the hum of the 1987 Toyota truck's engine echo through the corridors of time.

Another point of view about 1987 TOYOTA TRUCK WIRING DIAGRAMS PDF.

1. The 1987 Toyota Truck Wiring Diagrams PDF is like a roadmap for the electrical system of your vintage truck.With clear illustrations, it simplifies the complexity of the wiring, making it accessible for DIY enthusiasts.Each wire and component is laid out, eliminating the guesswork and reducing the chances of errors during repairs.The color-coded system adds an extra layer of simplicity, allowing even beginners to navigate through the circuits with ease.For those who enjoy hands-on repairs, this guide empowers you to take charge of your vehicle's electrical issues.Symbols are explained straightforwardly, turning what might seem like a cryptic language into an understandable code.Comparing the 1987 standards to modern ones provides a valuable perspective on how automotive technology has evolved.Whether you're restoring a classic or just maintaining your daily driver, these diagrams offer practical assistance for various skill levels.It's not just a document; it's a tool that bridges the gap between the past and present in automotive engineering.In essence, the 1987 Toyota Truck Wiring Diagrams PDF is a handy companion for anyone looking to understand and work on the electrical intricacies of their vintage Toyota truck.

Conclusion : Rev Up Your Repairs with 1987 Toyota Truck Wiring Diagrams PDF – Streamline Fixes Hassle-Free!.

So, dear readers, as we conclude this journey through the intricacies of the 1987 Toyota Truck Wiring Diagrams PDF, let's reflect on the newfound knowledge and empowerment gained. Armed with this comprehensive guide, you're not just deciphering electrical schematics; you're unlocking a portal to the heart of automotive history. Whether you're a seasoned DIY enthusiast or just embarking on your vehicular adventure, these diagrams stand as a beacon of clarity in the often complex world of vehicle maintenance.

As you navigate the colorful lines, symbols, and circuits within the 1987 Toyota Truck Wiring Diagrams PDF, envision yourself not only as a mechanic but as a custodian of the past. These diagrams are more than a set of instructions; they're a connection to an era when engines roared with a distinct vigor. So, as you tinker under the hood, remember that you're not just fixing wires; you're preserving a piece of automotive heritage. Happy repairing and may your journey with the 1987 Toyota truck be filled with the sweet hum of a successfully restored engine.

Question and answer Rev Up Your Repairs with 1987 Toyota Truck Wiring Diagrams PDF – Streamline Fixes Hassle-Free!

Questions & Answer :

Q: Where can I find the 1987 Toyota Truck Wiring Diagrams PDF?

  • Visit reputable automotive forums or websites dedicated to vintage vehicles.
  • Check online repositories that specialize in providing technical documentation.
  • Explore the official Toyota website or contact their customer support for possible resources.

Q: How do I interpret color-coded wires in the diagrams?

  • Refer to the color key provided within the document to understand the function of each wire.
  • Colors are usually standardized, but it's crucial to verify the key to avoid confusion.
  • Take your time to cross-reference the colors with the corresponding components in the diagrams.

Q: Can I use the wiring diagrams for troubleshooting electrical issues?

  • Yes, the diagrams are excellent tools for identifying and addressing electrical problems in your 1987 Toyota truck.
  • Follow the paths of wires, check for continuity, and use the symbols guide to pinpoint potential issues.
  • Combine the diagrams with basic electrical knowledge for effective troubleshooting.

Q: Are the wiring diagrams suitable for beginners?

  • Yes, the diagrams are designed to be user-friendly, making them accessible for beginners.
  • Take your time to familiarize yourself with the symbols and color-coding to build confidence.
  • Start with simple tasks and gradually progress to more complex electrical work as you gain experience.

Q: How do I compare the 1987 wiring standards with modern ones?

  • Examine the differences in the layout, symbols, and overall complexity between the two standards.
  • Consider consulting automotive experts or forums to gain insights into the evolution of wiring standards.
  • Keep in mind that advancements in technology may lead to more intricate electrical systems in modern vehicles.

Q: Can I use the wiring diagrams for modifications or upgrades?

  • Yes, the diagrams serve as a foundation for understanding your vehicle's electrical system, making them useful for modifications.
  • Exercise caution and ensure that any modifications align with safety and performance standards.
  • Consider seeking advice from automotive professionals or enthusiasts for specific modification projects.

Q: How often should I refer to the wiring diagrams for routine maintenance?

  • While not necessary for routine tasks like oil changes, referring to the diagrams during periodic check-ups can enhance your understanding of the vehicle.
  • Use the diagrams when troubleshooting electrical issues or performing maintenance tasks related to the electrical system.
  • Regularly updating your knowledge of the diagrams can be beneficial for long-term vehicle ownership.

Keywords : 1987 TOYOTA TRUCK WIRING DIAGRAMS PDF

0 komentar