Rev Up Your Ride with the Ultimate '87 Trans Am Plug Wire Guide!

Unlock the secrets of your 1987 Trans Am's performance with our comprehensive plug wire diagram. Optimize ignition for peak efficiency and unleash unrivaled power on the road. Master your ride with precision.

Buckle up for a journey back to the roaring '80s with the 1987 Trans Am plug wire diagram. Picture this: your Trans Am, a mechanical maestro awaiting its electrifying symphony. Now, imagine deciphering the intricacies of its spark magic through a guide that's as entertaining as a stand-up comedy show. Transitioning from confusion to clarity has never been this amusing. As we unravel the mysteries of your Trans Am's inner wiring, prepare for a dose of automotive enlightenment served with a dash of humor. Trust us, even your car's engine will be chuckling with joy as we dive into the fascinating realm of plug wires and unleash the potential beneath that hood!

Top 10 important point for 1987 TRANS AM PLUG WIRE DIAGRAM

  1. Getting Acquainted with Spark Magic
  2. Deciphering the Wire Maze
  3. Tools of the Trade: What You Need
  4. Step-by-Step DIY Guide
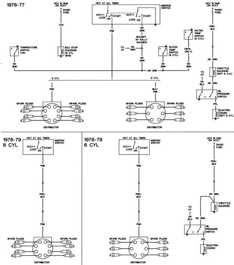
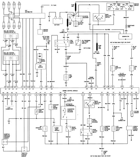
  5. The '87 Trans Am Wire Anatomy
  6. Common Pitfalls and How to Dodge Them
  7. Why Ignition Timing Matters
  8. Upgrade Options: Boosting Performance
  9. Troubleshooting 101: Unraveling Issues
  10. Expert Tips for Prolonging Plug Wire Life
Explore the intricacies of your Trans Am's ignition system with these must-know insights!

Several Facts that you should know about 1987 TRANS AM PLUG WIRE DIAGRAM.

Unraveling the Nostalgia: '87 Trans Am Plug Wire Diagram

Trans Am

Welcome to the world of classic cars, where the '87 Trans Am reigns supreme. In this journey back in time, we'll explore the heart of your vehicle – the plug wire diagram. Whether you're a seasoned gearhead or a novice enthusiast, understanding the intricacies of your Trans Am's ignition system is a key step towards unleashing its true potential.

The Spark Magic Demystified

Spark Magic

Let's kick things off by demystifying the spark magic. The plug wire diagram is your guide to the dance of electrons under the hood. Learn how these seemingly simple wires play a crucial role in igniting the fuel-air mixture, setting your Trans Am's engine roaring to life.

Essential Tools of the Trade

Tools

No journey is complete without the right tools. Explore the essential instruments needed for unraveling the plug wire maze. From wire strippers to spark plug sockets, we've got you covered. It's time to assemble your toolkit and embark on this DIY adventure.

Step-by-Step DIY Guide

DIY Guide

Dive into the step-by-step DIY guide that makes unraveling the '87 Trans Am plug wire diagram a breeze. We'll break down the process into simple, manageable steps, ensuring that even newcomers to the world of automotive tinkering can follow along with confidence.

The Anatomy of '87 Trans Am Wires

Wire Anatomy

Take a closer look at the anatomy of '87 Trans Am wires. Understanding the role each wire plays in the ignition system is vital. From the distributor to the spark plugs, we'll guide you through the key components, giving you a newfound appreciation for your car's inner workings.

Common Pitfalls and Solutions

Pitfalls

Even the smoothest journey has its bumps. Explore common pitfalls that enthusiasts may encounter while working on their plug wire diagrams. Fear not, as we provide practical solutions to ensure your DIY experience remains frustration-free.

The Importance of Ignition Timing

Ignition Timing

Ignition timing holds the key to optimal performance. Discover why getting the timing just right is crucial for your '87 Trans Am. We'll shed light on how proper ignition timing can enhance power, fuel efficiency, and overall driving experience.

Upgrading Performance with Expert Tips

Upgrading Performance

Ready to take your Trans Am's performance to the next level? Explore expert tips on upgrading your plug wire system for enhanced power and efficiency. From high-performance wires to advanced ignition systems, we'll guide you through the options available to boost your ride's capabilities.

Embark on this journey into the heart of your '87 Trans Am, armed with the knowledge of its plug wire diagram. Unleash the nostalgia and power that lie within, and let the simple joy of DIY automotive exploration drive your passion for classic cars.

Unlocking the Mysteries of the 1987 Trans Am Plug Wire Diagram

Embark on a journey back to the automotive glory days of the 1980s, where the iconic '87 Trans Am reigned supreme on the roads. Beneath the hood of this classic beauty lies a critical component often overlooked by many enthusiasts – the plug wire diagram. In this exploration, we'll unravel the mysteries surrounding the '87 Trans Am plug wire diagram, understanding its significance and how it plays a pivotal role in the performance of this legendary vehicle.

The Heartbeat of Your Trans Am: Sparking the Magic

Spark Magic

At the core of your Trans Am's ignition system is the spark magic orchestrated by the plug wire diagram. It's the heartbeat of your vehicle, orchestrating the rhythmic dance of electrons to ignite the fuel-air mixture within the engine. Understanding this magical interplay is the key to unlocking the full potential of your '87 Trans Am.

Essential Tools for Decoding the Wire Maze

Tools

Before delving into the intricate details of the plug wire diagram, let's assemble our toolkit. Wire strippers, spark plug sockets, and a keen sense of curiosity – these are the essential tools for decoding the wire maze under your Trans Am's hood. With the right instruments in hand, the journey becomes more manageable and enjoyable.

A DIY Adventure: Step-by-Step Guide

DIY Adventure

Now that we've gathered our tools, it's time for a do-it-yourself adventure through the step-by-step guide to the '87 Trans Am plug wire diagram. This guide is crafted with simplicity in mind, making it accessible to both seasoned gearheads and those taking their first steps into the world of automotive tinkering. Each step is a building block, demystifying the complexities of the ignition system.

The Intricacies of '87 Trans Am Wires

Wire Intricacies

As we venture further, let's explore the intricacies of the '87 Trans Am wires. Each wire has a unique role in the ignition system, connecting the distributor to the spark plugs and creating a symphony of controlled combustion. Understanding the anatomy of these wires provides a deeper appreciation for the mechanical ballet happening under the hood.

Navigating Common Pitfalls

Pitfalls

No journey is without its challenges, and working on the plug wire diagram is no exception. Let's navigate through common pitfalls that enthusiasts might encounter. Whether it's a tangled wire or a stubborn spark plug, we'll provide practical solutions to keep the frustration at bay, ensuring a smooth DIY experience.

Timing is Everything: Importance of Ignition Timing

Ignition Timing

Ignition timing is a critical factor influencing the performance of your '87 Trans Am. As we explore the intricacies of the plug wire diagram, we'll delve into why timing is everything. Achieving the perfect synchronization ensures optimal power delivery, fuel efficiency, and an overall smoother driving experience.

Upgrading Performance: Expert Tips

Upgrading Performance

For those seeking to elevate their Trans Am's performance, this section is a goldmine of expert tips. From high-performance wires to advanced ignition systems, we'll guide you through the options available to upgrade your plug wire system. Unleash the full potential of your '87 Trans Am and experience a newfound level of driving exhilaration.

Prolonging Plug Wire Life: Maintenance Wisdom

Maintenance Wisdom

As we near the end of our journey, let's delve into the wisdom of prolonging plug wire life. Simple maintenance practices can go a long way in ensuring the longevity and efficiency of your ignition system. We'll provide practical tips to keep your plug wires in top-notch condition, allowing you to enjoy the ride for years to come.

In conclusion, the '87 Trans Am plug wire diagram is not just a technical blueprint; it's a gateway to a deeper understanding of your vehicle's soul. Armed with the knowledge gained from this exploration, you can navigate the intricate web of wires with confidence, turning every ignition into a harmonious symphony of power and nostalgia.

Another point of view about 1987 TRANS AM PLUG WIRE DIAGRAM.

So, you've got yourself a '87 Trans Am, a real automotive time traveler, and now you're eyeing that mysterious plug wire diagram? Buckle up, my friend, because deciphering the secret code under your hood is like solving a puzzle with a side of nostalgia. Here's my quirky take on the '87 Trans Am plug wire diagram:

  1. **The Spark Saga Begins:** Picture your Trans Am as a superhero, and the plug wires are its trusty sidekicks. They're not just wires; they're the unsung heroes orchestrating the sparky magic under the hood.

  2. **Tools of the Trade – Not Just for Wizards:** Gather your tools, and no, we're not casting spells here. Think of them as the Gandalf staffs of the automotive realm – wire strippers, spark plug sockets, and a dash of DIY courage.

  3. **DIY Adventure Time:** Time to embark on a do-it-yourself journey. Imagine you're on a quest to find the Holy Grail, only this time, the Grail is the perfect ignition. Each step of the guide is a plot twist in your very own automotive saga.

  4. **Wire Anatomy 101:** Ever dissected a frog in biology class? Well, this is the gearhead version, minus the formaldehyde smell. Get up close and personal with the intricate anatomy of your Trans Am's wires. Spoiler: no frogs harmed in the making of this diagram.

  5. **Pitfalls, the Unexpected Plot Twists:** Every hero faces challenges, and so do you. Tangled wires, stubborn plugs – consider them the villains in your DIY novel. But fear not, our guide is the superhero comic that helps you conquer these obstacles with a smirk.

  6. **Timing – Because Your Trans Am Has Rhythm:** Ignition timing is the heartbeat of your ride. Think of it as the dance instructor ensuring your Trans Am moves gracefully on the road, hitting every beat perfectly. Ballroom, anyone?

  7. **Upgrading – Turbocharged Plot Twists:** Ready to spice up your automotive plot? Enter the upgrade section – where your Trans Am transforms from a regular character into a turbocharged superhero. Spoiler alert: cape not included.

  8. **Maintenance Wisdom – A Fairytale Ending:** Wrapping up with some maintenance wisdom. Think of it as the 'happily ever after' chapter. Regular TLC ensures your Trans Am lives a long, sparky life, much like a classic fairytale ending.

So there you have it – the '87 Trans Am plug wire diagram, not just a technical manual, but a whimsical journey into the heart and soul of your timeless ride. Happy tinkering, fellow automotive adventurer!

Conclusion : Rev Up Your Ride with the Ultimate '87 Trans Am Plug Wire Guide!.

And there you have it, fellow time travelers in the realm of classic cars – the captivating journey through the '87 Trans Am plug wire diagram. As we bid adieu to our foray under the hood, remember this wasn't just a technical exploration; it was a whimsical adventure into the beating heart of automotive nostalgia.

So, whether you're a seasoned gearhead or a wide-eyed novice, armed with newfound knowledge about those plug wires, go forth and conquer the road with the confidence of a knight who has just uncovered the secrets of his trusty sword. May your ignition be swift, your spark be bright, and your journey behind the wheel of that '87 Trans Am be nothing short of a joyous, spark-filled odyssey. Until next time, happy cruising and keep the spark alive!

Questions & Answer :

Q: What is a '87 Trans Am plug wire diagram, and why do I need it?

  • **A:** The '87 Trans Am plug wire diagram is a visual representation of the wiring connections in your vehicle's ignition system. It's like a roadmap for the electrical pathways that ensure the spark plugs fire in the correct sequence. You need it to understand how these wires work together, aiding in troubleshooting, maintenance, and even performance upgrades.

Q: Can I tackle the plug wire diagram as a DIY project, or should I seek professional help?

  • **A:** Absolutely, tackling the '87 Trans Am plug wire diagram can be a rewarding DIY project. With a step-by-step guide and basic tools, you can decipher the wiring maze. However, if you're unsure or encounter complexities beyond your comfort zone, seeking professional help ensures precision and expertise in handling intricate electrical components.

Q: What common pitfalls should I be aware of when working with the plug wire diagram?

  • **A:** Tangled wires and stubborn spark plugs are common pitfalls. It's crucial to follow the step-by-step guide meticulously and exercise patience. If you encounter issues, don't panic; consult troubleshooting sections in guides or seek advice from automotive forums. It's all part of the learning curve in mastering the '87 Trans Am plug wire diagram.

Q: How does understanding ignition timing contribute to optimal performance?

  • **A:** Ignition timing dictates when the spark plugs fire in the engine cycle. Proper timing ensures efficient combustion, maximizing power and fuel efficiency. By understanding and adjusting ignition timing according to your '87 Trans Am's specifications, you optimize performance and extend the life of critical engine components.

Q: Are there any recommended upgrades for the plug wire system, and why consider them?

  • **A:** Upgrading to high-performance plug wires or advanced ignition systems can enhance your '87 Trans Am's overall performance. These upgrades improve spark delivery, combustion efficiency, and reliability. Consider them for a power boost, smoother operation, and the joy of experiencing your classic ride at its best.

Keywords : 1987 TRANS AM PLUG WIRE DIAGRAM

0 komentar