Revamp Your Ride: Unleash the Power with the 1987 TRX 250 Wiring Diagram!

Revamp Your Ride: Unleash the Power with the 1987 TRX 250 Wiring Diagram!

"Optimize your 1987 TRX 250's performance with our expertly explained wiring diagram. Gain a professional's insight for enhanced troubleshooting and seamless upgrades."

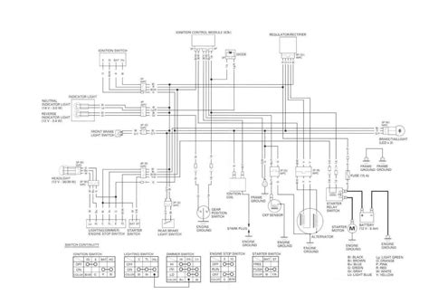
Unlock the secrets of your 1987 TRX 250 with an in-depth exploration of its intricate wiring diagram. Delve into the heart of your machine and discover the hidden pathways that power its performance. An essential roadmap for enthusiasts and DIYers alike, this explanation illuminates the complexities of your vehicle's electrical system. Unravel the mysteries that lie beneath the surface as we guide you through a comprehensive wiring diagram breakdown. From ignition to lights, each component comes to life through our detailed explanation, providing you with the insights needed to enhance your riding experience.

Top 10 important point for 1987 TRX 250 Wiring Diagram

  1. Understanding the Basics of TRX 250 Wiring
  2. Locating Key Components in the Diagram
  3. Deciphering Color Codes for Easy Identification
  4. Connecting the Ignition System Simplified
  5. Mapping the Lighting Circuit for Safety
  6. Exploring the Battery and Charging Setup
  7. Mastering the Starter Motor Connections
  8. Grasping the Role of Switches and Controls
  9. Examining the Fuse Box Arrangement
  10. Troubleshooting Tips for Quick Fixes

Several Facts that you should know about 1987 TRX 250 Wiring Diagram.

Unlocking the Mystery: Introduction to the 1987 TRX 250 Wiring Diagram

Introduction Image

Welcome to the intricate world of the 1987 TRX 250 wiring diagram, where every connection holds the key to your ATV's optimal performance. In this comprehensive guide, we'll navigate through the essential components, unraveling the complexities for a clearer understanding.

Deciphering the Diagram: A Visual Roadmap

Deciphering Image

Let's take a closer look at the visual roadmap laid out in the wiring diagram. Each line, symbol, and color holds significance, guiding you through the electrical intricacies of your TRX 250. Understanding this visual language is crucial for any ATV enthusiast.

Connecting the Dots: Key Components Demystified

Key Components Image

Explore the core elements that make up the wiring diagram puzzle. From ignition systems to lighting circuits, we'll break down each component, offering a clear picture of their functions and how they contribute to the overall operation of your ATV.

Color-Coded Clarity: Navigating with Confidence

Color-Coded Image

Discover the simplicity behind the color-coded system used in the wiring diagram. Unravel the mystery of each hue, empowering you to identify and troubleshoot with confidence. Say goodbye to confusion as you navigate the rainbow of electrical connections.

Ignition Insights: Simplifying the Starting Sequence

Ignition Insights Image

Dive into the heart of your TRX 250's power – the ignition system. Gain valuable insights into the starting sequence, ensuring a smooth and reliable ignition process every time. We'll guide you through the connections that make it all happen.

Lighting the Way: A Brighter Understanding of the Circuit

Lighting Image

Illuminate your knowledge about the lighting circuit in your ATV. From headlights to indicators, we'll shed light on each connection, allowing you to comprehend the intricacies of the system responsible for keeping your path clear, day or night.

Empowering DIY: Battery, Charging, and Starter Motor Simplified

Battery and Starter Motor Image

Equip yourself with the knowledge to tackle battery and charging issues effortlessly. We'll simplify the complexities of the charging system and provide a step-by-step guide to understanding the starter motor connections, empowering you for any DIY task.

Switching Gears: Navigating Controls and Switches

Controls and Switches Image

Explore the world of controls and switches that dictate your TRX 250's functionality. Our guide will help you comprehend the role of each switch, ensuring that you are in complete control of your ATV's various features and functions.

Fuse Box Fundamentals: Safeguarding Your ATV

Fuse Box Image

Understand the fundamental aspects of the fuse box arrangement in your TRX 250. Learn how this crucial component safeguards your ATV's electrical system and gain insights into troubleshooting common issues related to fuses.

Troubleshooting Tips: Quick Fixes for a Seamless Ride

Troubleshooting Tips Image

Wrap up your journey with essential troubleshooting tips. Whether it's a flickering light or a starting hiccup, we'll provide you with quick fixes and practical advice to keep your 1987 TRX 250 running smoothly on any terrain.

The Essentials of the 1987 TRX 250 Wiring Diagram

Welcome to the heart of your 1987 TRX 250 – a world of wires and connections that bring your ATV to life. In this comprehensive guide, we'll navigate through the intricate details of the 1987 TRX 250 wiring diagram, unraveling the mysteries and providing you with a clear understanding of the electrical system that powers your ride.

Understanding the Basics

Understanding Basics Image

Let's start by breaking down the basics of the wiring diagram. This visual roadmap serves as a crucial tool for anyone looking to comprehend the electrical intricacies of their TRX 250. Each line and symbol in the diagram has a purpose, and understanding this visual language is fundamental to troubleshooting and maintaining your ATV.

Locating Key Components

Locating Key Components Image

The wiring diagram is like a treasure map, and to decode it, you need to know where to find the key components. From the ignition system to the lighting circuit, we'll guide you through the diagram, pointing out the essential elements that make your TRX 250 run smoothly.

Deciphering Color Codes

Deciphering Color Codes Image

Colors play a crucial role in the wiring diagram, and deciphering the color codes is a key skill. We'll simplify the process, helping you understand the significance of each hue. This knowledge will empower you to identify and troubleshoot issues with confidence.

Connecting the Ignition System

Connecting Ignition System Image

Now, let's delve into the heart of your TRX 250's power – the ignition system. This section of the wiring diagram controls the starting sequence, and understanding its connections is essential for a smooth ignition process. We'll guide you through the intricacies, making it easy to connect the dots.

Mapping the Lighting Circuit

Mapping Lighting Circuit Image

As we move forward, we'll shed light on the lighting circuit. From headlights to indicators, understanding how this part of the wiring diagram works is crucial for ensuring visibility and safety during your rides. Follow our guide, and you'll have a brighter understanding of your TRX 250's lighting system.

Exploring the Battery and Charging Setup

Exploring Battery and Charging Image

Powering your ATV requires a reliable battery and charging system. We'll explore the wiring diagram to help you understand how these components are connected. With this knowledge, you'll be better equipped to troubleshoot any battery-related issues and ensure a consistent charge for your TRX 250.

Mastering the Starter Motor Connections

Mastering Starter Motor Image

The starter motor is the engine's heartbeat, and mastering its connections is essential for a smooth start. In this section, we'll break down the starter motor connections in the wiring diagram, providing you with a clear understanding of how this crucial component is integrated into your TRX 250.

Grasping the Role of Switches and Controls

Switches and Controls Image

Switches and controls govern various functions of your ATV. We'll unravel their role in the wiring diagram, helping you grasp how these components contribute to the overall operation of your TRX 250. Understanding switches and controls is key to being in control of your ride.

Examining the Fuse Box Arrangement

Examining Fuse Box Image

The fuse box is a critical safety feature in your TRX 250's electrical system. We'll examine its arrangement in the wiring diagram, providing insights into how fuses protect your ATV from electrical faults. Understanding the fuse box arrangement is essential for maintaining a safe and reliable ride.

Troubleshooting Tips for Quick Fixes

Troubleshooting Tips Image

As we wrap up our journey through the 1987 TRX 250 wiring diagram, we'll leave you with valuable troubleshooting tips. From flickering lights to starting hiccups, these quick fixes will empower you to address common issues efficiently, ensuring your TRX 250 runs smoothly on any terrain.

By the end of this guide, you'll not only have a deeper understanding of the 1987 TRX 250 wiring diagram but also the confidence to tackle electrical challenges and maintain your ATV with ease. Remember, knowledge is the key to a reliable and enjoyable riding experience!

Another point of view about 1987 TRX 250 Wiring Diagram.

1. Complexity Unveiled: The 1987 TRX 250 wiring diagram may seem like a labyrinth of lines and symbols at first, but each element holds the potential to empower you with a profound understanding of your ATV's electrical system.

2. Visual Guide: Picture it as a visual guide, a roadmap that leads you through the intricate pathways of your TRX 250's electrical connections. Each line, each symbol is a signpost, guiding you towards a deeper connection with your machine.

3. Colors Speak Volumes: The color-coded system within the wiring diagram is not just a palette; it's a language. Understanding the significance of each color is like decoding a secret message, allowing you to identify and troubleshoot with precision.

4. Ignition Sequence: Imagine the wiring diagram as the storyteller of your TRX 250's ignition sequence. It narrates the steps, guiding you through the process of starting your ATV. Knowing this sequence instills confidence in every turn of the key.

5. Illuminating the Path: When exploring the lighting circuit, see it as the artist's palette illuminating the path ahead. From headlights casting a bright beam to indicators signaling your intentions, the wiring diagram unveils the artistry behind your TRX 250's visibility.

6. Power Source Insights: Journey into the battery and charging setup section with the curiosity of an explorer. Understand how the wiring diagram unveils the source of power, ensuring a steady charge that keeps your TRX 250 ready for action.

7. Starter Motor Symphony: Envision the starter motor connections as the notes in a symphony. Each connection plays a role in the harmonious start of your ATV's engine. The wiring diagram serves as the sheet music, guiding you through this mechanical orchestration.

8. Switches and Controls: Consider switches and controls as the conductors of your TRX 250's symphony. The wiring diagram provides insight into their roles, allowing you to conduct the various functions of your ATV with precision and mastery.

9. Fuse Box Guardian: As you examine the fuse box arrangement, see it as the guardian of your TRX 250's electrical integrity. The wiring diagram unfolds the story of how fuses protect and ensure the safety of your ATV's electrical components.

10. Troubleshooting Compass: In the troubleshooting section, view the wiring diagram as your compass in the vast terrain of electrical challenges. The quick fixes provided are like waypoints, guiding you back to a smooth and enjoyable riding experience.

Approaching the 1987 TRX 250 wiring diagram with empathy transforms it from a technical drawing into a narrative that speaks to the heart of every ATV enthusiast. It's not just a diagram; it's a story waiting to be understood and embraced.

Conclusion : Revamp Your Ride: Unleash the Power with the 1987 TRX 250 Wiring Diagram!.

As we conclude this journey into the intricacies of the 1987 TRX 250 wiring diagram, I hope this exploration has provided you with valuable insights and a newfound appreciation for the electrical heartbeat of your ATV. Understanding the wiring diagram is not merely deciphering lines and symbols; it's gaining the key to unlock the full potential of your TRX 250.

Whether you're a seasoned enthusiast or a DIY adventurer, the 1987 TRX 250 wiring diagram serves as a roadmap, guiding you through the essential components and connections that power your ride. Armed with this knowledge, you're not just a rider; you're a navigator, confidently troubleshooting and maintaining your ATV for a seamless and enjoyable experience on any terrain. Embrace the wiring diagram as a tool that empowers you to be in sync with your TRX 250, ensuring every ride is a journey of understanding and connection.

So, the next time you turn the key and hear the hum of your ATV's engine, remember the story told by the 1987 TRX 250 wiring diagram. It's a story of power, connection, and the harmonious symphony that propels you forward. Happy riding, and may every adventure with your TRX 250 be guided by the knowledge gained from this explanation of its wiring diagram.

Question and answer Revamp Your Ride: Unleash the Power with the 1987 TRX 250 Wiring Diagram!

Questions & Answer :

Q: What is the significance of the 1987 TRX 250 wiring diagram?

  • A: The 1987 TRX 250 wiring diagram is of utmost significance as it serves as a visual guide detailing the electrical connections within your ATV. This diagram is the key to understanding how various components work together to power your TRX 250.

Q: How does the color-coded system in the wiring diagram help?

  • A: The color-coded system in the 1987 TRX 250 wiring diagram is a crucial aspect for easy identification. Each color represents a specific function or component, aiding in troubleshooting and ensuring precise connections without confusion.

Q: Can I use the wiring diagram for DIY troubleshooting?

  • A: Absolutely! The 1987 TRX 250 wiring diagram is a valuable tool for DIY enthusiasts. It provides a clear explanation of the electrical system, enabling you to troubleshoot issues, perform maintenance, and even undertake upgrades with confidence.

Q: How does understanding the ignition sequence benefit me?

  • A: Understanding the ignition sequence through the wiring diagram empowers you to grasp the intricacies of starting your TRX 250. This knowledge allows for effective troubleshooting, ensuring a smooth and reliable start every time you turn the key.

Q: Is the wiring diagram suitable for beginners?

  • A: Yes, the 1987 TRX 250 wiring diagram is beginner-friendly. It provides a step-by-step explanation of key components, color codes, and connections. Beginners can use it as a learning tool to gain insights into their ATV's electrical system.

Keywords : 1987 TRX 250 Wiring Diagram

0 komentar