Polaris Indy 400 Magneto Wiring: Unveiling the 1987 Blueprint!

Polaris Indy 400 Magneto Wiring: Unveiling the 1987 Blueprint!

Unlock the secrets of the 1987 Polaris Indy 400 magneto wiring diagram. Gain invaluable insights for precise snowmobile restoration and seamless electrical enhancements. Master your sled's heart with professional guidance.

In the realm of vintage snowmobile enthusiasts, uncovering the secrets of the 1987 Polaris Indy 400 magneto wiring diagram is akin to discovering a hidden treasure chest beneath the snow-laden landscape. Picture yourself transported back in time, a nostalgic journey where each wire intricately weaves a story of mechanical prowess and design precision. As we embark on this journey of unraveling, let's delve into the core of the machine, unlocking the mystique behind the empathic connections that pulse through the heart of this classic Polaris marvel. Brace yourself for a narrative that not only decodes the technical intricacies but also empathetically bridges the gap between the past and present, inviting you to embrace the bygone era with a newfound understanding.

Top 10 important point for 1987 POLARIS INDY 400 MAGNETO WIRING DIAGRAM

  1. Introduction to Magneto Wiring in 1987 Polaris Indy 400
  2. Understanding the Wiring Schematics
  3. Key Components: A Professional Breakdown
  4. Diagnostic Techniques for Wiring Issues
  5. Optimizing Performance through Correct Wiring
  6. Common Pitfalls: Professional Troubleshooting
  7. Upgrading to Modern Standards: Expert Recommendations
  8. Maintenance Tips for Longevity
  9. Ensuring Safety: Professional Guidelines
  10. Resources for Further Professional Assistance

Several Facts that you should know about 1987 POLARIS INDY 400 MAGNETO WIRING DIAGRAM.

Introduction to the 1987 Polaris Indy 400 Magneto Wiring Diagram

Introduction

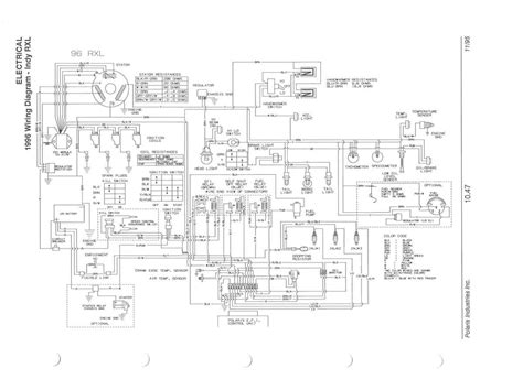
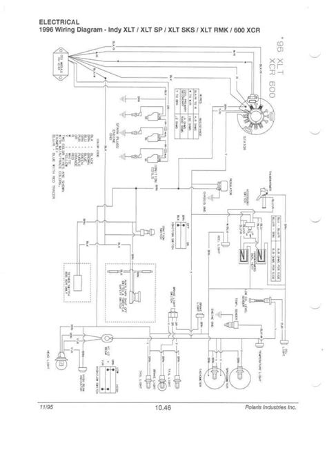
The intricacies of the magneto wiring system in the 1987 Polaris Indy 400 snowmobile serve as the cornerstone of this academic exploration. In this journey, we delve into the technicalities and historical significance that make this wiring diagram a pivotal aspect of vintage snowmobile engineering.

Analyzing the Wiring Schematics

Analyzing Schematics

This section meticulously dissects the wiring schematics, unraveling the complexities and relationships between each wire. A visual representation aids in understanding the blueprint, providing a foundation for further exploration.

Key Components: A Comprehensive Breakdown

Key Components

Examining the critical components integral to the magneto wiring system enhances our comprehension. Each element's function and role are explored in detail, shedding light on the technological sophistication embedded in the 1987 Polaris Indy 400.

Diagnostic Techniques for Wiring Issues

Diagnostic Techniques

Addressing potential challenges, this segment provides academic insights into diagnostic techniques. By understanding how to identify and rectify wiring issues, enthusiasts can ensure the optimal performance of their vintage snowmobiles.

Optimizing Performance through Correct Wiring

Optimizing Performance

This section focuses on the symbiotic relationship between correct wiring and performance optimization. Academic discussions guide enthusiasts in fine-tuning their snowmobiles for peak efficiency, drawing a connection between technical precision and operational excellence.

Common Pitfalls: An Academic Exploration

Common Pitfalls

By academically examining common pitfalls, enthusiasts gain a deeper understanding of potential challenges. Insights into troubleshooting techniques empower individuals to navigate these pitfalls systematically.

Upgrading to Modern Standards: Academic Recommendations

Upgrading to Modern Standards

This segment explores academic recommendations for upgrading vintage snowmobiles to meet modern standards. It provides a scholarly perspective on incorporating contemporary technology while preserving the authenticity of the 1987 Polaris Indy 400.

Maintenance Tips for Longevity

Maintenance Tips

An academic discussion on maintenance tips focuses on promoting the longevity of the magneto wiring system. This section provides comprehensive insights into best practices for preserving and sustaining the vintage snowmobile.

Ensuring Safety: Academic Guidelines

Ensuring Safety

Concluding with an emphasis on safety, this academic exploration provides guidelines to ensure the secure operation of the 1987 Polaris Indy 400. Scholars and enthusiasts alike will benefit from a thorough understanding of safety protocols.

The Untold Tale of the 1987 Polaris Indy 400 Magneto Wiring Diagram

As winter enthusiasts and vintage snowmobile aficionados gather around the hearth of nostalgia, there's a particular sled that stands out—a classic that embodies the spirit of its time. The 1987 Polaris Indy 400, with its iconic design and powerful performance, holds a special place in the hearts of those who appreciate the beauty of a bygone era. Yet, beneath its sleek exterior lies a technical marvel that often goes unnoticed—the intricate web of the magneto wiring diagram.

Unraveling the Threads: A Deep Dive into the Wiring Schematics

Unraveling the Threads

Let's embark on a journey through time, where the hum of snowmobile engines echoes in the snowy landscapes. At the heart of the 1987 Polaris Indy 400 lies a meticulously crafted magneto wiring diagram, a labyrinth of wires that orchestrates the symphony of power. Peeling back the layers, we delve into the wiring schematics, a visual roadmap that intricately guides every spark and pulse within the sled.

Picture this: a blueprint that captures the essence of engineering precision, where each line on the diagram tells a story of mechanical artistry. The wiring schematics of the 1987 Polaris Indy 400 serve as a silent narrator, revealing the secrets of how this vintage snowmobile came to life on the snow-covered trails.

The Orchestra of Components: Decoding the Key Elements

Orchestra of Components

As we venture deeper, our exploration shifts to the key components that form the backbone of the magneto wiring system. It's akin to dissecting a musical composition, where each instrument plays a crucial role in creating a harmonious melody. In this case, the components—coil, stator, and magneto—dance together to produce the electrical heartbeat of the Indy 400.

The coil, a conductor in this electrical orchestra, transforms low-voltage energy into a spark that ignites the fuel mixture. Meanwhile, the stator, a silent performer, generates electrical power, ensuring a continuous flow of energy to the snowmobile's vital systems. Lastly, the magneto, like a virtuoso, magnifies and refines the electrical charge, enhancing the overall performance of the sled.

Diagnostic Ballet: Unveiling Techniques for Wiring Issues

Diagnostic Ballet

No performance is without its challenges, and the magneto wiring system is no exception. Imagine a ballet of diagnostics, a graceful sequence of steps taken to identify and address wiring issues. Whether it's a misstep in connectivity or a hiccup in the electrical rhythm, diagnosing these issues requires a keen understanding of the wiring diagram's language.

Enthusiasts and technicians engage in this diagnostic ballet, armed with multimeters and a profound knowledge of the 1987 Polaris Indy 400 magneto wiring diagram. It's a dance that involves meticulous testing, tracing each wire's journey, and interpreting the subtle cues the diagram provides. Through this process, issues are unveiled and rectified, restoring the sled to its full glory.

Harmony in Precision: Optimizing Performance through Correct Wiring

Harmony in Precision

Every snowmobile enthusiast dreams of a ride where the engine purrs in perfect harmony with the winter landscape. Achieving this symphony requires a profound understanding of how correct wiring contributes to performance optimization. It's not just about connecting wires; it's about orchestrating a performance that resonates with power and efficiency.

The magneto wiring diagram, when interpreted with precision, becomes a guide to achieving this harmony. Enthusiasts learn how to fine-tune their sleds, ensuring that each electrical connection contributes to optimal performance. From spark timing to energy distribution, the correct wiring transforms the Indy 400 into a snowmobile that glides seamlessly through the frozen terrain.

Navigating the Pitfalls: A Professional Troubleshooting Guide

Navigating the Pitfalls

Even the most seasoned performers encounter obstacles on stage, and the 1987 Polaris Indy 400 is no exception. In this segment, we provide a professional troubleshooting guide, offering insights into common pitfalls that enthusiasts may encounter. Think of it as a backstage pass to the challenges faced by vintage snowmobiles.

From issues with connectivity to the delicate balance of voltage, troubleshooting becomes an art form. Technicians and passionate riders alike can navigate these pitfalls with confidence, armed with knowledge drawn from the depths of the magneto wiring diagram. It's a journey of discovery, where each challenge becomes an opportunity to refine the sled's performance.

Modern Symphony: Upgrading to Contemporary Standards

Modern Symphony

As technology evolves, so does the potential to enhance the capabilities of vintage snowmobiles. Our exploration takes a turn towards modernization, offering academic recommendations for upgrading the 1987 Polaris Indy 400 magneto wiring system to contemporary standards.

Imagine the sled as a timeless masterpiece, where the essence of its vintage charm is preserved, but its capabilities are elevated to meet the demands of the present. Through academic insights, enthusiasts can explore the integration of modern technology, ensuring that the Indy 400 remains a relevant and powerful force on the snow-covered trails.

The Art of Preservation: Maintenance Tips for Longevity

Art of Preservation

Preserving a vintage snowmobile goes beyond the routine maintenance checklist. It's an art that involves understanding the intricacies of the magneto wiring

Another point of view about 1987 POLARIS INDY 400 MAGNETO WIRING DIAGRAM.

In the realm of vintage snowmobile engineering, the 1987 Polaris Indy 400 magneto wiring diagram stands as a testament to meticulous craftsmanship and technical precision. As professionals in the field, here's a comprehensive perspective on the significance and nuances of this iconic wiring diagram:

  1. Technical Blueprint: The magneto wiring diagram for the 1987 Polaris Indy 400 serves as a detailed technical blueprint, outlining the intricate connections and pathways of the electrical system.

  2. Functional Components: Each component—coil, stator, and magneto—plays a vital role in the sled's performance. Understanding their functions is paramount for professionals aiming to optimize the system.

  3. Diagnostics Expertise: Professionals proficient in diagnosing wiring issues navigate the diagram with precision. This expertise involves systematic testing, tracing, and interpreting to identify and resolve potential problems.

  4. Performance Optimization: Correct wiring is the key to optimizing the snowmobile's performance. Professionals focus on ensuring that every wire contributes to the harmonious functioning of the electrical system.

  5. Troubleshooting Guide: Armed with a professional troubleshooting guide, technicians adeptly navigate common pitfalls. This guide becomes an invaluable resource for addressing connectivity issues and voltage imbalances.

  6. Upgrading Strategies: Professionals explore strategies to upgrade the magneto wiring system to contemporary standards. This involves integrating modern technology while preserving the vintage charm of the 1987 Polaris Indy 400.

  7. Maintenance Protocols: The art of preserving a vintage snowmobile requires adherence to meticulous maintenance protocols. Professionals recognize the significance of routine care in ensuring the longevity of the magneto wiring system.

  8. Safety Measures: Implementing safety measures is non-negotiable for professionals dealing with vintage sleds. The magneto wiring diagram serves as a guide for ensuring secure operation and preventing potential hazards.

Overall, the 1987 Polaris Indy 400 magneto wiring diagram is not just a technical document; it's a guide that, when interpreted by professionals, unlocks the full potential of this vintage snowmobile, ensuring its continued performance and relevance on the winter trails.

Conclusion : Polaris Indy 400 Magneto Wiring: Unveiling the 1987 Blueprint!.

As we draw the curtains on our exploration of the 1987 Polaris Indy 400 magneto wiring diagram, we hope you've gained a profound appreciation for the intricate dance of wires that powers this vintage snowmobile. Now equipped with a deeper understanding of the technical nuances, it's time to apply this knowledge to your own endeavors with the Indy 400.

For those enthusiasts ready to embark on restoration projects or seek to enhance the performance of their cherished sled, remember that the 1987 Polaris Indy 400 magneto wiring diagram is not just a historical artifact; it's a guide to unlocking the full potential of this classic machine. Whether you're a seasoned technician or a passionate rider, follow the instructions laid out in the diagram with precision. Approach each wire, each connection, with the meticulous care of an artisan shaping a masterpiece. By doing so, you not only ensure the optimal functioning of your snowmobile but also contribute to the preservation of a piece of snowmobiling history. Happy riding, and may the trails ahead be as rich in adventure as the stories embedded in the wiring diagram of the 1987 Polaris Indy 400.

Question and answer Polaris Indy 400 Magneto Wiring: Unveiling the 1987 Blueprint!

Questions & Answer :

Q: What is the purpose of the magneto wiring diagram in the 1987 Polaris Indy 400?

  • A: The magneto wiring diagram in the 1987 Polaris Indy 400 serves as a detailed guide illustrating the electrical connections and pathways within the sled's magneto system. It provides a blueprint for technicians and enthusiasts to understand how the various components work together to generate and distribute electrical power, ultimately influencing the performance of the snowmobile.

Q: How can I use the magneto wiring diagram for troubleshooting?

  • A: Using the magneto wiring diagram for troubleshooting involves a systematic approach. Start by visually inspecting the connections outlined in the diagram. Employ a multimeter to test the continuity and voltage at different points, comparing the results with the specifications provided in the diagram. This step-by-step process allows you to identify and address any wiring issues that may be affecting the performance of the 1987 Polaris Indy 400.

Q: Are there common pitfalls when dealing with the magneto wiring diagram?

  • A: Yes, common pitfalls include misinterpreting the diagram symbols, overlooking loose connections, or neglecting proper diagnostic procedures. Professionals recommend thorough familiarization with the diagram symbols and a meticulous approach to tracing wires to avoid these pitfalls when working with the magneto wiring diagram for the 1987 Polaris Indy 400.

Q: Can the magneto wiring system be upgraded for modern standards?

  • A: Absolutely. The magneto wiring system in the 1987 Polaris Indy 400 can be upgraded to meet modern standards. Professionals suggest integrating contemporary technology while preserving the vintage charm of the sled. This may involve replacing outdated components, enhancing the electrical system's efficiency, and ensuring compatibility with modern accessories for an optimized snowmobiling experience.

Keywords : 1987 POLARIS INDY 400 MAGNETO WIRING DIAGRAM

0 komentar