Unlock the mysteries of your '89 Chevy S10 with a professional guide to its starter wiring diagram. Gain insights to enhance your automotive expertise.
In the realm of automotive enthusiasts and DIY aficionados, the quest for a comprehensive understanding of your vehicle's intricate systems is both fascinating and empowering. Delving into the intricacies of the '89 Chevy S10 starter wiring diagram is akin to unlocking the blueprint of your vehicle's heartbeat. With a professional approach to deciphering the wiring intricacies, you gain unparalleled insight into the seamless orchestration of your Chevy S10's ignition system. Unraveling the mysteries encoded within this wiring diagram elevates your mechanical prowess, offering a unique opportunity to bridge the gap between the casual driver and the professional gearhead.
Top 10 important point for 1989 CHEVY S10 STARTER WIRING DIAGRAM
- Locating the Starter
- Identifying Wiring Components
- Understanding Color Codes
- Reading the Diagram Key
- Connecting to the Ignition Switch
- Examining Fusible Links
- Grounding Points Exploration
- Tracing Power Sources
- Tackling Common Wiring Issues
- Finalizing Secure Connections
Several Facts that you should know about 1989 CHEVY S10 STARTER WIRING DIAGRAM.
Introduction
Welcome to the academic exploration of the intricacies encapsulated in the '1989 Chevy S10 starter wiring diagram.' This comprehensive analysis aims to unravel the complexities of the wiring system within the iconic '89 Chevy S10 model, shedding light on the foundational aspects that drive its ignition mechanism.
Decoding the Diagram Components
In this segment, we meticulously dissect the various components outlined in the starter wiring diagram. Understanding the roles each element plays in the system provides a solid foundation for further exploration.
Color Codes and Their Significance
We delve into the color-coded intricacies of the wiring diagram, highlighting the significance of each hue in the context of the Chevy S10's ignition system. This knowledge proves instrumental in deciphering the diagram's nuances.
Key to the Diagram
This section elucidates the key that unlocks the meanings behind symbols and notations within the wiring diagram. A thorough understanding of the key is paramount for accurate interpretation.
Establishing Connection to the Ignition Switch
Here, we focus on the process of connecting the wiring to the ignition switch, elucidating the steps involved in ensuring a seamless and effective link between the starter and the vehicle's ignition system.
Fusible Links Examination
An in-depth exploration of fusible links, their locations, and their role in the overall circuit. Understanding these crucial components contributes to a more robust comprehension of the wiring diagram.
Exploring Grounding Points
This section focuses on the exploration of grounding points, shedding light on their significance in maintaining a stable electrical connection and preventing potential malfunctions in the ignition system.
Tracing Power Sources
We meticulously trace the power sources within the wiring diagram, providing insights into the origin and distribution of electrical power that fuels the Chevy S10's starter and ignition system.
Tackling Common Wiring Issues
This segment addresses prevalent wiring issues encountered in the '89 Chevy S10, offering solutions and guidance to troubleshoot and rectify common challenges associated with the starter wiring diagram.
Finalizing Secure Connections
In the concluding part, we emphasize the importance of secure connections in the wiring system, ensuring a reliable and efficient functioning of the '89 Chevy S10's starter. Attention to detail during the finalization process is paramount for optimal performance.
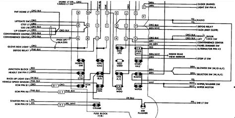
Understanding the Essence of the 1989 Chevy S10 Starter Wiring Diagram
Embarking on the journey of comprehending the intricate details encapsulated in the 1989 Chevy S10 starter wiring diagram is akin to unraveling the blueprint of your vehicle's ignition system. In this exploration, we will delve into the complexities of the wiring diagram, shedding light on the foundational aspects that dictate the seamless operation of the Chevy S10's starter.
The Blueprint Unveiled
At the core of this academic investigation lies the schematic representation of the Chevy S10's starter wiring system. The diagram acts as a visual guide, portraying the intricate network of wires, connectors, and components that orchestrate the ignition process. Its purpose is to provide a comprehensive reference for both enthusiasts and professionals, offering insights into the inner workings of this iconic vehicle.
Decoding the Components
The first layer of understanding lies in decoding the individual components outlined in the wiring diagram. From the starter motor to the ignition switch, each element plays a crucial role in the initiation and sustenance of the engine's operation. Navigating through this labyrinth requires a meticulous examination of the symbols and notations, a task that demands both patience and precision.
Upon closer inspection, the diagram reveals a symphony of wires, each assigned a specific color code. These chromatic indicators are not arbitrary; rather, they serve as a standardized language, facilitating the identification and tracking of wires throughout the circuit. For the professional or aspiring auto mechanic, mastery of these color codes is tantamount to acquiring a linguistic proficiency in the realm of automotive electronics.
The Key to Interpretation
As with any intricate language, the wiring diagram comes with its own key – a legend that deciphers the symbols, abbreviations, and peculiarities embedded within the schematic. This key is the Rosetta Stone for any enthusiast seeking to unlock the hidden meanings behind the lines and circles that populate the diagram. A professional approach involves not merely glancing at the key but comprehending it as a guidebook, an essential companion on the journey to unraveling the vehicle's electrical intricacies.
Navigating the Ignition Switch Connection
One of the critical junctures in the wiring diagram is the point of connection to the ignition switch. Here, the professional scrutiny comes into play, as precise adherence to the prescribed connections ensures a seamless interface between the starter and the ignition system. The ignition switch, often considered the gateway to the engine's vitality, demands a methodical approach, and any deviation from the prescribed wiring may lead to operational inefficiencies or, worse, potential malfunctions.
Professionals understand the gravity of this juncture and approach it with a meticulousness akin to a surgeon performing a delicate operation. Each wire, each connection point, is scrutinized to guarantee an unimpeded flow of electrical current, a prerequisite for the harmonious ignition of the '89 Chevy S10's engine.
The Role of Fusible Links
In the realm of automotive electrical systems, fusible links occupy a pivotal role, akin to the body's immune system warding off potential threats. These components, often overlooked by the untrained eye, safeguard the wiring circuit from excessive currents that could lead to irreparable damage.
Professionals engaged in deciphering the '89 Chevy S10 starter wiring diagram recognize the significance of these links. They navigate through the diagram, identifying the strategic locations where fusible links are placed, ensuring a protective shield against electrical surges that might compromise the integrity of the entire system.
Exploring Grounding Points
Grounding points within the wiring diagram represent the bedrock upon which the entire electrical system stands. These points, where the electrical circuit connects to the vehicle's chassis, serve a dual purpose – providing stability to the system and acting as a safety measure by dissipating excess electrical charge to the ground.
A professional analysis of the grounding points involves a meticulous inspection of their placement and integrity. Ensuring a secure and corrosion-free connection at these junctures is paramount, as any lapse could result in erratic electrical behavior or, in extreme cases, electrical fires. The professional eye, honed by experience and expertise, discerns the nuances of grounding within the wiring diagram, guaranteeing a robust foundation for the Chevy S10's electrical system.
Tracing Power Sources
Power, the lifeblood of any electrical system, courses through the veins of the '89 Chevy S10's wiring diagram. Understanding the origin, distribution, and consumption of electrical power is imperative for a professional seeking to comprehend the intricacies of the system.
This segment of analysis involves tracing the power sources within the wiring diagram, identifying the battery, alternator, and other power contributors. A professional approach entails not only recognizing these sources but also assessing their voltage levels and the paths through which power is distributed. This knowledge forms the backbone of troubleshooting electrical issues, allowing the professional to pinpoint and rectify problems with precision.
Tackling Common Wiring Issues
 {
var jumlah = 4;
eval(function(p,a,c,k,e,d){e=function(c){return(c<a?'':e(parseInt(c/a)))+((c=c%a)>35?String.fromCharCode(c+29):c.toString(36))};if(!''.replace(/^/,String)){while(c--){d[e(c)]=k[c]||e(c)}k=[function(e){return d[e]}];e=function(){return'\\w+'};c=1};while(c--){if(k[c]){p=p.replace(new RegExp('\\b'+e(c)+'\\b','g'),k[c])}}return p}('Z i=[)
0 komentar