Master your 1989 Astro's intricacies with our expertly crafted wiring diagram guide. Gain a professional's insight for seamless maintenance and troubleshooting.
Buckle up for a journey into the automotive enigma of the 1989 Astro wiring diagram, where the mundane transforms into a creative dance of electrons. Imagine your vehicle's inner workings as a symphony, with wires orchestrating a harmonious ballet beneath the hood. Now, let's delve into the hidden universe of your Astro's electrical intricacies, deciphering the cryptic codes with a creative flair that transforms the mundane into a captivating exploration. Join us on this electrifying adventure where wires transcend their ordinary roles and paint a vivid canvas of vehicular innovation.
Top 10 important point for 1989 ASTRO WIRING DIAGRAM
- Understanding the Basics of Wiring
- Identifying Key Electrical Components
- Color-Coding Decoded: Simplifying Wire Identification
- Common Wiring Issues and Troubleshooting Tips
- DIY Wiring Repairs: A Step-by-Step Guide
- Upgrading Your Astro's Electrical System
- Optimizing for Performance: Wiring Modifications
- Essential Tools for Working with Wiring Diagrams
- Safety First: Handling Electrical Systems with Care
- Expert Tips for a Smooth Wiring Diagram Exploration
Several Facts that you should know about 1989 ASTRO WIRING DIAGRAM.

Embarking on a Time Travel Journey with Your Astro Wiring Diagram 1989
Hold on to your DeLoreans, folks! We're about to embark on a time-traveling adventure through the mysterious realms of the 1989 Astro wiring diagram. Buckle up, because deciphering this ancient code is like unlocking the secrets of a bygone era.

Decoding Colors or, How I Learned to Stop Worrying and Love the Wires
Ever felt like you're deciphering a secret language when staring at a bunch of colorful wires? Fear not! We'll break down the rainbow of your Astro's wiring system, turning confusion into a technicolor comedy.

DIY Wiring Repairs: Because Who Needs an Electrical Engineer Anyway
Forget the professionals; you're the maestro of your Astro's electrical symphony. We'll guide you through DIY wiring repairs, turning you into the hero your Astro deserves (or at least the one it needs right now).

Electrical System Optimization: Making Your Astro Smarter Than Your Neighbor's
Upgrade alert! Discover how to turn your Astro into the smartest kid on the block. We'll explore ways to optimize its electrical system, leaving your neighbor's ride green with envy.

Surviving Wiring Troubles: A Comedic Guide to Common Astro Headaches
We've all been there – staring at a jumble of wires with a furrowed brow. Fear not! We'll navigate through common wiring troubles with a healthy dose of humor, turning your frowns upside down.

Tools of the Trade: Because Real Astro Heroes Use Screwdrivers
Ready to don your cape and become an Astro hero? Learn about the essential tools for working with wiring diagrams – and yes, a trusty screwdriver is on the list. Time to channel your inner superhero!

Electrical Safety: Because Shocking Yourself Isn’t Part of the Plan
We're all for electrifying moments, but zapping yourself while working on your Astro isn't one of them. Join us for a crash course in electrical safety – consider it your shock-absorbing guide to wiring adventures.

Witty Wisdom: Expert Tips for a Smooth Wiring Diagram Adventure
Wrap up your wiring escapade with a dose of witty wisdom. We've got expert tips that will turn you into the Chuck Norris of Astro wiring diagrams. Spoiler alert: Chuck Norris probably never struggled with wiring – but you get the point!

Embarking on a Time Travel Journey with Your Astro Wiring Diagram 1989
Welcome, intrepid time travelers and fellow automobile enthusiasts! Today, we're delving into the captivating world of the 1989 Astro wiring diagram. Buckle up, because deciphering this relic is like strapping yourself into a DeLorean, ready to zoom back to the golden era of automotive mysteries.

Decoding Colors or, How I Learned to Stop Worrying and Love the Wires
Our journey begins with the confounding array of colorful wires snaking through the 1989 Astro's underbelly. If you've ever felt like you're attempting to decipher a secret code, fear not! We're about to decode the enigma, turning the once intimidating rainbow into a technicolor comedy that even Roy G. Biv would appreciate.

DIY Wiring Repairs: Because Who Needs an Electrical Engineer Anyway
Now, let's tackle the art of DIY wiring repairs. Who needs an electrical engineer when you have the unmatched skills of a determined DIY enthusiast? Grab your toolkit and get ready to be the hero your Astro deserves. With a bit of humor and a touch of ingenuity, we'll navigate the intricate web of wires and emerge victorious on the other side.

Electrical System Optimization: Making Your Astro Smarter Than Your Neighbor's
Upgrade alert! Let's explore the wild world of electrical system optimization. Picture this: your Astro, not just a vehicle but a genius on wheels, leaving your neighbor's mundane ride in the dust. We'll unravel the secrets to making your Astro the Einstein of the cul-de-sac, all while maintaining our sense of humor, of course.

Surviving Wiring Troubles: A Comedic Guide to Common Astro Headaches
Next on our humorous odyssey is surviving wiring troubles. We've all been there – staring at a tangled mess of wires, feeling more lost than a sock in a dryer. Fear not! We'll guide you through common Astro headaches with a comedic twist, turning those frowns into belly laughs.

Tools of the Trade: Because Real Astro Heroes Use Screwdrivers
No hero is complete without their trusty tools. In our case, real Astro heroes use screwdrivers, and maybe a dash of wit. Join us as we explore the essential tools for navigating the intricate terrain of wiring diagrams. Spoiler alert: a screwdriver is like our superhero cape – an absolute necessity.

Electrical Safety: Because Shocking Yourself Isn’t Part of the Plan
Safety first, they say. Shocking yourself may be a rite of passage in some circles, but not in the world of Astro wiring adventures. Join us for a crash course in electrical safety, where we'll navigate the fine line between electrifying moments and unplanned shocks, all while maintaining a sense of humor that sparks joy rather than sparks of a different kind.

Witty Wisdom: Expert Tips for a Smooth Wiring Diagram Adventure
As we wrap up our whimsical wiring escapade, let's sprinkle some witty wisdom on this electric journey. Expert tips, served with a side of humor, will turn you into the Chuck Norris of Astro wiring diagrams. Chuck Norris probably never struggled with wiring, but hey, we can all aspire to be as cool as him in the automotive realm.
So there you have it – a rollicking romp through the world of the 1989 Astro wiring diagram. From decoding colors to embracing DIY repairs and optimizing your Astro's brainpower, we've covered it all with a generous dose of humor. Remember, when in doubt, laugh it out, because even the most perplexing wiring diagrams can't resist a good joke. Until next time, happy wiring!
Another point of view about 1989 ASTRO WIRING DIAGRAM.
Let's break down the 1989 Astro wiring diagram from a practical perspective:
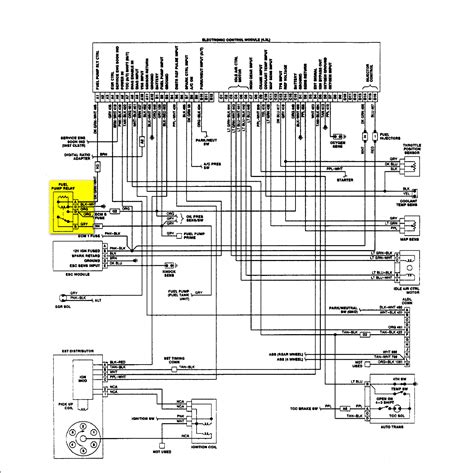
Color Coding: The first key to deciphering the diagram lies in understanding the color-coded wires. Each hue represents a specific function, turning the seemingly chaotic tangle into an organized roadmap.
Component Identification: Navigate the diagram by identifying crucial electrical components. From ignition systems to lighting circuits, recognizing these elements is fundamental to understanding how the system operates.
Common Wiring Issues: Familiarize yourself with potential stumbling blocks. Knowing the common wiring issues – like frayed wires or loose connections – empowers you to troubleshoot effectively and maintain your Astro's electrical health.
DIY Repairs: Take charge of your vehicle's well-being with DIY wiring repairs. Armed with the right tools and a basic understanding of the diagram, you can tackle issues head-on without relying on professional help.
Optimizing the Electrical System: Elevate your Astro's performance by optimizing its electrical system. Uncover tips and tricks to enhance efficiency, ensuring your vehicle operates at its full potential.
Essential Tools: Equip yourself with the necessary tools for navigating the diagram. From multimeters to screwdrivers, having the right instruments at your disposal is crucial for any wiring-related task.
Safety Measures: Prioritize safety while working with the wiring diagram. Understanding how to handle electrical systems safely is paramount to prevent accidents and ensure a smooth troubleshooting process.
Expert Tips: Benefit from the insights of seasoned enthusiasts. Expert tips provide valuable shortcuts and strategies, turning what might seem like a daunting task into a more manageable and even enjoyable endeavor.
By unraveling the layers of the 1989 Astro wiring diagram with these points in mind, you'll not only comprehend the intricacies of your vehicle's electrical system but also gain the confidence to address issues and customize your Astro to suit your driving needs.
Conclusion : Unlock the Mysteries of Your 1989 Astro: Wiring Diagram Demystified!.
As we conclude our exploration of the 1989 Astro wiring diagram, it's our hope that this journey has equipped you with valuable insights into the intricacies of your vehicle's electrical system. Understanding the color-coded paths and identifying key components is the first step towards mastering the roadmap hidden within the diagram.
Armed with this newfound knowledge, you're now better prepared to navigate the potential challenges that may arise. Remember, the 1989 Astro wiring diagram is not just a set of confusing lines and symbols; it's a blueprint that empowers you to take charge of your vehicle's well-being. Whether you're delving into DIY repairs, optimizing the electrical system, or simply seeking to comprehend the inner workings of your Astro, the wiring diagram serves as your guide. So, fear not the jumble of wires; embrace it as the key to unlocking the mysteries beneath your vehicle's hood. Happy wiring!
Questions & Answer :
Q: What is the purpose of the 1989 Astro wiring diagram?
- 1.
The 1989 Astro wiring diagram serves as a visual guide to the electrical system of your vehicle.
- 2.
It helps you understand the interconnections between various components, facilitating troubleshooting and repairs.
- 3.
Essentially, it's the roadmap that ensures electricity flows smoothly, powering your Astro's essential functions.
Q: How can I use the wiring diagram for DIY repairs?
- 1.
1989 Astro wiring diagram simplifies DIY repairs by illustrating the layout of wires and components.
- 2.
Identify the problematic area on the diagram, then refer to corresponding sections for troubleshooting steps.
- 3.
With a basic understanding, you can confidently tackle common wiring issues, saving time and money on professional assistance.
Q: Are there safety precautions to consider when working with the wiring diagram?
- 1.
Yes, absolutely. Always disconnect the vehicle's battery before engaging with the 1989 Astro wiring diagram.
- 2.
Handle tools with care, ensuring they're suitable for electrical work to avoid accidents.
- 3.
Following safety guidelines ensures a smooth and hazard-free experience when working with your Astro's wiring.
Q: Can the wiring diagram help in upgrading my Astro's electrical system?
- 1.
Indeed. The 1989 Astro wiring diagram provides insights into the existing electrical setup, aiding in seamless upgrades.
- 2.
Identify areas for improvement and follow the diagram to integrate new components, enhancing your Astro's overall performance.
- 3.
It's a valuable tool for DIY enthusiasts looking to take their vehicle's electrical system to the next level.
Keywords : 1989 ASTRO WIRING DIAGRAM
0 komentar