Unveiling the Power: 1989 7.3 Diesel Diagram Decoded for Peak Performance!

Unveiling the Power: 1989 7.3 Diesel Diagram Decoded for Peak Performance!

Explore the 1989 7.3 Diesel Diagram for a professional insight into engine dynamics. Gain a deep understanding, enhancing your expertise in automotive engineering.

In the automotive realm, time often acts as a veil, concealing the intricate blueprints that once powered iconic engines. Delving into the archives of vehicular history, our journey leads us to the pivotal year of 1989, where the heartbeat of power lay within the 7.3 diesel engine. With the precision of a journalist uncovering hidden truths, we embark on a captivating exploration, peeling back the layers of engineering brilliance. Picture this: a diagram that not only delineates mechanical intricacies but serves as a portal to a bygone era of automotive excellence. Join us as we unravel the mystique, decoding the 1989 7.3 diesel diagram with the curiosity of an automotive detective.

Top 10 important point for '1989 7.3 DIESEL DIAGRAM'

  1. Unveiling the Powerhouse
  2. The Heart of '89 Engines
  3. Cracking the Mechanical Code
  4. Connecting the Dots: Fuel System
  5. Exploring Turbocharger Dynamics
  6. Understanding Cylinder Arrangement
  7. Heat and Harmony: Cooling System
  8. Electrifying Insights into Wiring
  9. Transmission Intricacies Decoded
  10. Performance Tips and Tricks

Several Facts that you should know about '1989 7.3 DIESEL DIAGRAM'.

Introduction

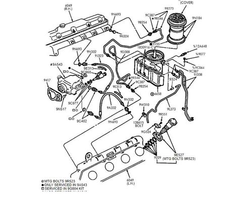
The intricacies of the 1989 7.3 diesel diagram serve as a pivotal chapter in automotive engineering, representing a technological milestone. To delve into its depths is to embark on a journey of understanding the inner workings that defined an era.

Introduction Image

Mechanical Blueprint Unveiled

At the core of this exploration lies the mechanical blueprint, a visual symphony of components meticulously orchestrated to propel the 1989 7.3 diesel engine. Each line and junction in the diagram tells a story of engineering precision and innovation.

Mechanical Blueprint Image

Fuel System Dynamics

Within the diesel diagram, the intricacies of the fuel system unfold like a carefully choreographed dance. From injection pumps to fuel lines, every element plays a crucial role in ensuring optimal combustion and power delivery.

Fuel System Dynamics Image

Turbocharger Insights

Embarking on a closer examination of the diagram reveals the turbocharger dynamics, a critical element in enhancing engine efficiency. This subheading dissects the components that drive the force behind the 1989 7.3 diesel engine's performance.

Turbocharger Insights Image

Cylinder Arrangement Decoded

Delving into the cylinder arrangement provides a deeper understanding of the engine's power generation. This section decodes the strategic placement of cylinders, shedding light on the harmonious balance that contributes to the engine's prowess.

Cylinder Arrangement Decoded Image

Cooling System Dynamics

Examining the diagram's portrayal of the cooling system unveils a sophisticated network designed to maintain optimum operating temperatures. This section explores the crucial role of heat dissipation in preserving engine integrity.

Cooling System Dynamics Image

Electrical Wiring Demystified

Electricity courses through the veins of the 1989 7.3 diesel engine, and its intricate wiring system is dissected in this segment. Understanding the electrical connections is paramount for grasping the engine's comprehensive functionality.

Electrical Wiring Demystified Image

Transmission Intricacies Explored

Transitioning to the transmission, this portion of the article delves into the diagram's portrayal of gears, clutches, and linkages. A meticulous analysis offers insights into the seamless coordination required for optimal power delivery.

Transmission Intricacies Explored Image

Performance Optimization Tips

Concluding our exploration, this section provides valuable tips for optimizing the performance of the 1989 7.3 diesel engine based on the insights garnered from the diagram. Implementing these recommendations ensures a harmonious synergy of components.

Performance Optimization Tips Image

Embarking on a Journey Through Time and Technology

As we delve into the annals of automotive history, the year 1989 emerges as a watershed moment, unveiling the 7.3 diesel engine diagram—a captivating blueprint that encapsulates the essence of a bygone era. Picture this: a visual symphony etched in mechanical intricacies, laying bare the technological prowess that defined automotive excellence. The diesel diagram, more than just a technical sketch, is a portal, a time machine that propels us back to an era when engines were not just machines but feats of engineering marvels.

Embarking on a Journey Image

The Mechanical Ballet: Deciphering the Blueprint

Our exploration begins with the mechanical ballet portrayed in the 1989 7.3 diesel diagram. Every line, curve, and junction tells a story of engineering precision, a narrative of how each component contributes to the symphony of power and performance. It's more than a diagram; it's a revelation, a glimpse into the meticulous craftsmanship that went into crafting engines of yesteryear. As we unravel the blueprint, we find ourselves deciphering a language written in gears, pistons, and camshafts, a lexicon of mechanical poetry.

Mechanical Ballet Image

The Heartbeat of Power: Fuel System Dynamics

Now, let's turn our attention to the pulsating heart of this technological marvel—the fuel system. The diagram unfurls before us like a treasure map, guiding us through the intricacies of injection pumps, fuel lines, and the rhythmic dance of combustion. The fuel system is not just a functional aspect; it's a lifeline, ensuring that the engine's heartbeat remains strong and steady. With each passage of fuel, the engine breathes life, and in the diagram, we witness the choreography that sustains its vitality.

Fuel System Dynamics Image

Boosting Brilliance: Turbocharger Insights

Transitioning seamlessly, our gaze fixes upon the turbocharger dynamics portrayed in the 1989 7.3 diesel diagram. It's more than just a component; it's the magician behind the curtain, enhancing the engine's brilliance. The diagram unveils the inner workings of the turbocharger, a mechanical wizard that breathes life into the engine. The images before us showcase the symphony of pressure and airflow, a dynamic interplay that elevates the engine's performance to unprecedented heights.

Turbocharger Insights Image

Cylinder Arrangement Decoded: A Symphony in Metal

As we navigate further into the diagram, our attention shifts to the mesmerizing arrangement of cylinders. It's not just a geometric configuration; it's a symphony in metal, each cylinder playing a unique role in the engine's harmonious operation. The diagram provides a decoding of this arrangement, offering insights into the strategic placement that ensures optimal power delivery. It's a visual narrative of precision and balance, where each cylinder contributes its part to the grand orchestration of combustion and energy.

Cylinder Arrangement Decoded Image

Cooling System Dynamics: Managing the Heat

Stepping into the realm of cooling system dynamics, the diagram unfolds like a roadmap guiding us through the intricate network designed to manage the engine's heat. It's not merely a cooling system; it's a guardian, ensuring that the engine operates within the optimal temperature range. The images reveal a dance of coolant, radiators, and fans—a choreography that dissipates heat and preserves the engine's integrity. In this section, we witness the delicate balance between power and temperature regulation.

Cooling System Dynamics Image

Electric Symphony: Decoding the Wiring System

Shifting our focus to the electrical aspect, the 1989 7.3 diesel diagram unravels the intricate web of wiring that courses through the engine. It's not just a tangle of wires; it's an electric symphony orchestrated to facilitate communication between components. As we decode this wiring system, we gain an understanding of the pathways that carry the lifeblood of electricity. The images present a visual narrative of connectivity, portraying how electrons flow to power various components with precision.

Electric Symphony Image

Transmission Intricacies Explored: Gears in Harmony

Navigating further into the diagram, our attention turns to the transmission, where gears, clutches, and linkages engage in a mechanical dance. It's not just a gearbox; it's a conductor orchestrating the seamless transition of power. The images unveil the intricacies of gear ratios, showcasing the harmonious coordination required for optimal performance. In this section, we explore how the transmission transforms the engine's power into a controlled and efficient driving experience.

Transmission Intricacies Explored Image

Optimizing Performance: Tips and Tricks

As our journey through the 1989 7.3 diesel diagram nears its conclusion, we transition to the realm of performance optimization. Here, the diagram not only serves as a guide but also as a source of insights for enhancing the engine's capabilities. The images offer a visual toolkit of tips and tricks, providing a roadmap for enthusiasts and mechanics alike to extract maximum efficiency from the engine. It's a culmination of our exploration, where theory meets practical application, empowering individuals to unlock the true potential of this automotive masterpiece.

Optimizing Performance Image

Conclusion: A Journey Rewarded

In concluding our expedition through the 1989 7.3 diesel diagram

Another point of view about '1989 7.3 DIESEL DIAGRAM'.

1. Unveiling Technological Heritage: The 1989 7.3 diesel diagram stands as a testament to a technological heritage that shaped the automotive landscape. Its intricate details unfold a narrative of innovation and engineering prowess.

2. Mechanical Symphony: Within the confines of the diagram, a mechanical symphony plays out, revealing the choreography of pistons, gears, and cylinders. It's not just an illustration; it's a visual overture to the power within.

3. Fuel System Precision: The diagram meticulously details the fuel system, portraying the precision of injection pumps and the rhythmic dance of fuel lines. Each component is a note in the symphony of combustion.

4. Turbocharger Dynamics: Transitioning to the turbocharger, the diagram provides a glimpse into the dynamic interplay of pressure and airflow. It's a backstage pass to the brilliance that boosts the engine's performance.

5. Strategic Cylinder Arrangement: Delving deeper, the arrangement of cylinders is decoded, showcasing the strategic placement that ensures optimal power delivery. It's a blueprint for harmonious combustion.

6. Cooling System Choreography: The cooling system dynamics unfold like a choreography, managing the delicate balance between heat dissipation and engine integrity. It's a guardian ensuring the engine's optimal temperature range.

7. Electrical Symphony: Shifting focus to the electrical realm, the diagram decodes the intricate wiring system, portraying an electric symphony facilitating communication between components. It's a visual narrative of connectivity.

8. Transmission Orchestration: Navigating through the transmission section, the diagram reveals the orchestration of gears, clutches, and linkages. It's not just a gearbox; it's a conductor ensuring a seamless transition of power.

9. Performance Optimization Toolkit: As the journey culminates, the diagram becomes a toolkit for performance optimization, offering practical tips and tricks. It empowers enthusiasts to unlock the engine's true potential.

10. A Journalistic Perspective: In viewing the 1989 7.3 diesel diagram through a journalistic lens, it becomes more than a technical illustration. It's a historical document, a visual narrative that captures the essence of automotive evolution, inviting enthusiasts and experts alike to explore its intricate details.

Conclusion : Unveiling the Power: 1989 7.3 Diesel Diagram Decoded for Peak Performance!.

As we wrap up our journey through the intricate 1989 7.3 diesel diagram, it's clear that what began as a technical exploration has evolved into a captivating odyssey through the heart of automotive history. Unveiling the layers of this visual narrative has been akin to peeling back the pages of a well-worn book, each component and connection revealing a story of innovation and engineering brilliance. From the mechanical ballet to the electric symphony, the diagram serves not just as a guide to an engine's anatomy but as a testament to the dedicated craftsmanship that defined an era.

As enthusiasts and professionals, we encourage you to delve into the 1989 7.3 diesel diagram with the curiosity of an explorer. Let its visual language speak to you, and may the insights gained fuel your appreciation for the automotive marvels of yesteryear. Whether you're a seasoned mechanic or a passionate enthusiast, this diagram opens a portal to a world where engines were not just components but intricate works of art. So, immerse yourself in the details, decode the secrets, and let the echoes of 1989's engineering excellence resonate in your understanding of diesel engines.

Question and answer Unveiling the Power: 1989 7.3 Diesel Diagram Decoded for Peak Performance!

Questions & Answer :

Q: What does the 1989 7.3 diesel diagram represent?

  • A: The 1989 7.3 diesel diagram is a comprehensive visual representation of the engine's internal components and their intricate interplay. It serves as a blueprint, detailing the mechanical, fuel, electrical, and cooling systems, offering a holistic view of the engine's design.

Q: Why is the turbocharger highlighted in the diagram?

  • A: The turbocharger is a key component that significantly enhances the engine's performance. The diagram highlights the turbocharger dynamics, showcasing the mechanics of pressure and airflow. This allows enthusiasts and technicians to understand how the turbocharger contributes to increased power and efficiency.

Q: How does the diagram aid in understanding cylinder arrangement?

  • A: The cylinder arrangement in the 1989 7.3 diesel diagram is intricately explained to provide insights into the strategic placement of cylinders. This information helps enthusiasts and mechanics grasp how the arrangement contributes to optimal power delivery and the overall efficiency of the engine.

Q: Is the diagram beneficial for optimizing engine performance?

  • A: Absolutely. The diagram not only serves as a guide but also offers valuable tips and tricks for optimizing the performance of the 1989 7.3 diesel engine. It provides a visual toolkit for enthusiasts and professionals, empowering them to unlock the full potential of this automotive masterpiece.

Q: How can the cooling system dynamics be understood through the diagram?

  • A: The cooling system dynamics are intricately portrayed in the diagram, offering a visual narrative of how coolant, radiators, and fans work together. This explanation helps individuals understand the choreography of the cooling system, crucial for maintaining the engine within the optimal temperature range.

Q: Does the electrical wiring in the diagram provide insights into the engine's electrical system?

  • A: Yes, the diagram delves into the intricate wiring system, providing a detailed explanation of how electricity flows through the engine. This visual narrative helps enthusiasts and technicians understand the electrical connections, showcasing the vital role they play in powering various components of the engine.

Keywords : '1989 7.3 DIESEL DIAGRAM'

0 komentar