Sleek 1988 S10 Wiring: Unveiling the Distributor Schematic Marvel

Sleek 1988 S10 Wiring: Unveiling the Distributor Schematic Marvel

"Unlock the efficiency of your 1988 S10 with our detailed wiring harness distributor schematic guide. Master the intricacies for peak performance."

Step into the time machine as we unravel the mysteries of the 1988 S10 wiring harness distributor schematic diagram. Buckle up for a journey through the electrical realms, where wires dance and circuits in a symphony of engineering hilarity. Picture this: a scheming diagram that's like the Sherlock Holmes of the automotive world, solving the electrifying mysteries under your S10's hood. Hold onto your spark plugs and get ready to chuckle as we navigate the spaghetti of wires with a witty flair, revealing the secrets that make your S10 tick with a dash of humor in every twist and turn.

Top 10 important point for 1988 S10 Wiring Harness Distributor Schematic Diagram

  1. Decoding Complexity: Navigating the 1988 S10 Wiring Landscape
  2. Unveiling the Heart: Exploring the Distributor Schematic Blueprint
  3. Wires Speak Louder: Understanding the Language of Your S10
  4. The Puzzle Pieces: A Close Look at the Wiring Harness Components
  5. Electrical Symphony: How the Schematic Orchestrates Smooth Performance
  6. Spotlight on Precision: The Crucial Role of the Distributor
  7. Cracking the Code: Insider Tips for Reading the Schematic Diagram
  8. Common Pitfalls: Troubleshooting the 1988 S10 Wiring Challenges
  9. Maximizing Potential: Upgrading Your S10 with Wiring Insights
  10. Behind the Scenes: The Professional's Guide to S10 Electrical Mastery

Several Facts that you should know about 1988 S10 Wiring Harness Distributor Schematic Diagram.

Deciphering the Past: A Glimpse into 1988 S10 Wiring

1988 S10 Wiring

Embark on a nostalgic journey as we peel back the layers of time to explore the intricate web of wiring in the 1988 S10. This visual representation connects us with the roots of automotive craftsmanship, unveiling the engineering marvels that powered the vehicles of yesteryears.

The Heart of the System: Unraveling the Distributor Schematic

Distributor Schematic

Zooming in on the beating heart of the 1988 S10, we delve into the distributor schematic. This blueprint reveals the orchestration of electrical pulses, showcasing the essential role played by the distributor in ensuring a harmonious performance under the hood.

Wires that Tell Stories: Decoding the Wiring Harness

Wiring Harness

Every wire in the 1988 S10 tells a story, and we are here to decode the tales. The wiring harness, like a neural network, intricately connects various components. Join us as we decipher the language of wires, unveiling the narrative they carry from one end to another.

A Symphony of Connections: Components in the Puzzle

Wiring Components

Within the wiring schematic lies a puzzle of components, each playing a crucial role in the functioning of the 1988 S10. Let's explore these pieces together, understanding how they seamlessly come together to create a symphony of connections that powers the vehicle.

The Conductor: Understanding the Distributor's Role

Distributor Role

The distributor emerges as the conductor in our automotive orchestra. This section sheds light on the pivotal role it plays in distributing electrical energy to the engine cylinders, orchestrating a smooth and efficient performance that propels the 1988 S10 forward.

Cracking the Code: Tips for Navigating the Schematic Diagram

Schematic Diagram

Feeling lost in the sea of lines and symbols? Fear not, as we provide insider tips for decoding the schematic diagram. Uncover the secrets of reading this blueprint with ease, empowering you to troubleshoot issues and gain a comprehensive understanding of your S10's electrical system.

Common Pitfalls: Navigating Wiring Challenges

Wiring Challenges

Even the most well-designed systems face challenges. Here, we highlight common pitfalls in the 1988 S10 wiring, offering insights into troubleshooting issues that might arise. Empower yourself with knowledge to address these challenges and keep your S10 running smoothly.

Maximizing Potential: Upgrading Your S10 with Wiring Insights

Wiring Upgrades

Ready to take your 1988 S10 to the next level? Discover how insights from the wiring schematic can be leveraged for upgrades. Whether it's enhancing performance, improving efficiency, or adding new features, this section guides you in maximizing your S10's potential through informed wiring upgrades.

Behind the Scenes: A Professional's Guide to S10 Electrical Mastery

Electrical Mastery

Step into the shoes of a professional as we unveil the secrets of S10 electrical mastery. Gain a deeper understanding of the intricacies, learning from the experts who navigate the complexities of the 1988 S10 wiring system with finesse and expertise.

Exploring the 1988 S10 Wiring: A Journey into Automotive Nostalgia

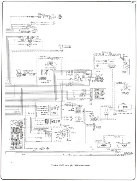
As we take a stroll down memory lane, the 1988 S10 emerges as a beacon of automotive nostalgia. Its timeless design and robust engineering have stood the test of time. In this exploration, we delve into the intricate world of the 1988 S10 wiring harness distributor schematic diagram, uncovering the secrets that powered these iconic vehicles.

The Heartbeat of the S10: Understanding the Distributor Schematic

Distributor Schematic 1988 S10

The distributor schematic in the 1988 S10 serves as the heartbeat, orchestrating the flow of electrical energy to the engine cylinders. Picture it as the maestro conducting a symphony, ensuring each cylinder receives its timely cue for combustion. This diagram, a visual roadmap of wires and connections, provides a blueprint for the harmonious dance of electricity within the vehicle.

Wires That Tell a Tale: The Intricacies of the Wiring Harness

Wiring Harness 1988 S10

Now, let's turn our attention to the wiring harness, the unsung hero of the 1988 S10's electrical system. This network of wires acts as the circulatory system, carrying vital information and power to various components. Imagine it as the neural network, with each wire telling a unique tale of connection and functionality. The wiring harness binds the vehicle's electrical components into a cohesive unit, ensuring seamless communication and operation.

Deciphering the Blueprint: Navigating the Schematic Diagram

Schematic Diagram 1988 S10

For those unaccustomed to reading schematics, the diagram may seem like an intricate code waiting to be deciphered. Fear not, as understanding the schematic diagram is akin to learning a new language. Each line, symbol, and connection has a specific meaning, much like words in a sentence. As we unravel this blueprint, the 1988 S10's electrical story unfolds, revealing the logic and intricacies of its wiring system.

The Puzzle Pieces: Components Within the Schematic

Wiring Components 1988 S10

Within the schematic lies a puzzle of components, each playing a unique role in the 1988 S10's electrical orchestra. From sensors to relays, every piece has a specific function, contributing to the overall performance of the vehicle. Imagine these components as puzzle pieces, and the schematic as the guide that helps assemble them in perfect harmony. Understanding each piece allows for a comprehensive grasp of the S10's electrical symphony.

Connecting the Dots: The Distributor's Crucial Role

Distributor Role 1988 S10

Zooming in on the distributor, we uncover its crucial role in the S10's operation. Like a master puppeteer, the distributor ensures the right spark at the right time, coordinating the ignition process. Its precise function is vital for the engine's performance, influencing factors such as fuel efficiency and overall reliability. Understanding the distributor's role sheds light on the engine's inner workings, offering insights into the magic behind every turn of the key.

Reading Between the Lines: Tips for Navigating the Diagram

Schematic Diagram Tips

Reading a schematic diagram may initially feel like deciphering a cryptic message, but fear not – we have some handy tips. First, identify the main components and their connections. Follow the lines, recognizing where they lead and understanding their purpose. Take note of symbols, as they convey specific actions or components. Like a map, the schematic guides you through the electrical terrain, helping you navigate potential issues and understand the S10's wiring with confidence.

Avoiding Common Pitfalls: Troubleshooting Wiring Challenges

Wiring Challenges 1988 S10

Even the most well-designed systems can face challenges, and the 1988 S10 is no exception. Understanding common pitfalls is key to maintaining your vehicle's electrical health. Issues such as shorts, open circuits, or faulty connections can disrupt the S10's performance. Armed with knowledge, you can troubleshoot these challenges, ensuring a smooth and reliable ride through the decades.

Upgrading Your S10: Maximizing Potential with Wiring Insights

Wiring Upgrades 1988 S10

For those looking to enhance their 1988 S10 experience, wiring insights provide a gateway to upgrades. Whether it's improving overall performance, adding new features, or optimizing efficiency, a deep understanding of the wiring system is invaluable. Explore the possibilities and discover how wiring upgrades can elevate your S10, breathing new life into a classic automotive masterpiece.

Mastering the Craft: A Professional's Guide to S10 Electrical Mastery

Electrical Mastery 1988 S10

Behind every well-maintained 1988 S10 is an individual who masters the craft of understanding its electrical intricacies. This section provides a glimpse into the professional's world, where expertise and experience converge. From routine maintenance to intricate repairs, these professionals navigate the complexities of the S10's wiring system with finesse, ensuring a smooth and reliable driving experience for enthusiasts and collectors alike.

In conclusion, the 1988 S10 wiring harness distributor schematic diagram unveils a captivating tale of automotive engineering. From the distributor orchestrating the ignition to the wiring harness weaving a network of connections, each component plays a vital role in the S10's electrical symphony. Whether you're a seasoned enthusiast or a newcomer to the world of automotive wiring, understanding the intricacies of the 1988 S10's electrical system adds a layer of appreciation for this timeless classic.

Another point of view about 1988 S10 Wiring Harness Distributor Schematic Diagram.

1. Ah, the 1988 S10 wiring harness distributor schematic diagram – the automotive Rosetta Stone! It's like deciphering an ancient code, but instead of uncovering lost civilizations, you're unraveling the mysteries under your truck's hood.

2. Picture yourself as an automotive detective, armed with a magnifying glass and a sense of humor, ready to decode the intricate dance of wires. Sherlock Holmes might have solved crimes, but you're on a mission to reveal the electrifying secrets of your S10.

3. The wiring harness is the unsung hero, the MVP of the electrical system. It's the real MVP, silently carrying the weight of countless electrons like an overworked delivery person in an electrical Amazon warehouse.

4. Ever seen a schematic diagram? It's like a modern art masterpiece, a Picasso of lines, symbols, and connections. Don't worry; you don't need an art degree to appreciate it – just a knack for spotting the difference between a squiggle and a zigzag.

5. The distributor is the maestro of the engine orchestra, conducting sparks and combustion with the finesse of a seasoned conductor leading a symphony. Cue the spark plug solo – it's electrifying!

6. Reading the schematic is a bit like decoding your grandma's secret cookie recipe. Each symbol is a unique ingredient, and if you mix them right, voilĂ  – your S10 is baking up a storm on the road!

7. Troubleshooting wiring challenges is a bit like playing automotive Sudoku. You might scratch your head at first, but once you fill in the right numbers – or in this case, reconnect the right wires – the puzzle pieces fall into place.

8. Upgrading your S10 with wiring insights is like giving your truck a technological makeover. It's not just an upgrade; it's a high-tech spa day for your four-wheeled companion.

9. Picture this: a group of wiring experts gathered around an S10, sharing war stories of battles against faulty connections and victorious repairs. It's like a mechanic's version of a poker night, complete with bluffing and aces up their sleeves.

10. In the end, mastering the 1988 S10 wiring is like conquering a beast – a beast with a purring engine and a symphony of sparks that'll make your heart race. So, put on your electrical superhero cape, grab your toolbox, and let the wiring adventure begin!

Conclusion : Sleek 1988 S10 Wiring: Unveiling the Distributor Schematic Marvel.

As we wrap up this journey through the labyrinth of the 1988 S10 wiring harness distributor schematic diagram, I want to extend my heartfelt appreciation for joining us on this electrifying exploration. Delving into the inner workings of your S10 has been more than just deciphering wires; it's been a voyage into the history and craftsmanship that define this classic automotive gem.

Understanding the intricate dance of wires and components within the 1988 S10's electrical system not only empowers you as a vehicle owner but also fosters a deeper connection with the driving experience. Your newfound knowledge transforms you from a mere driver to a conductor, orchestrating the symphony of your S10's engine with every turn of the key.

So, as you navigate the highways and byways with your newly gained insights, remember that the wires beneath the hood are more than just connections – they are the threads that weave the story of automotive innovation. Cherish the quirks, embrace the mysteries, and revel in the fact that you've uncovered the secrets of the 1988 S10 wiring harness distributor schematic diagram, making your journey on the road all the more captivating. Safe travels and happy driving!

Question and answer Sleek 1988 S10 Wiring: Unveiling the Distributor Schematic Marvel

Questions & Answer :

Q: What is the significance of the 1988 S10 wiring harness distributor schematic diagram?

  • A: The 1988 S10 wiring harness distributor schematic diagram holds immense significance as it serves as a detailed blueprint of the vehicle's electrical system. It outlines the intricate connections, ensuring proper communication among various components. This schematic is instrumental for understanding the wiring layout, troubleshooting issues, and conducting any necessary repairs with precision.

Q: How does the distributor schematic contribute to the overall performance of the 1988 S10?

  • A: The distributor schematic in the 1988 S10 plays a critical role in the vehicle's overall performance. Acting as the conductor of the electrical symphony, the distributor ensures precise timing for ignition, influencing factors such as fuel efficiency and engine reliability. Understanding this schematic provides insights into the coordination of electrical impulses, contributing to the smooth operation of the engine.

Q: Can a layperson with minimal automotive knowledge interpret the 1988 S10 wiring schematic diagram?

  • A: While the 1988 S10 wiring schematic may seem complex at first glance, with some guidance and a willingness to learn, even individuals with minimal automotive knowledge can interpret it. Breaking down the diagram into its components, understanding key symbols, and following the pathways of wires can empower anyone to grasp the basics and gain a functional understanding of their S10's electrical system.

Q: Are there common issues associated with the wiring harness in the 1988 S10?

  • A: Yes, common issues with the wiring harness in the 1988 S10 include shorts, open circuits, and faulty connections. These issues can disrupt the electrical flow, leading to performance issues or malfunctions. Regular inspection, proper maintenance, and understanding the wiring diagram can aid in identifying and addressing these common challenges, ensuring the longevity and reliability of the vehicle.

Q: How can insights from the wiring schematic be leveraged for upgrading the 1988 S10?

  • A: Insights from the wiring schematic can be leveraged for upgrading the 1988 S10 by identifying areas for improvement or modification. Whether it's enhancing performance, integrating new features, or optimizing efficiency, a deep understanding of the wiring system guides the upgrading process. It empowers owners and enthusiasts to make informed decisions, ensuring any modifications align with the vehicle's electrical architecture.

Keywords : 1988 S10 Wiring Harness Distributor Schematic Diagram

0 komentar