Rev Up Your Ride: Unraveling the 1987 Vanagon Wire Diagram for Ultimate Adventure!

Rev Up Your Ride: Unraveling the 1987 Vanagon Wire Diagram for Ultimate Adventure!

"Decode the intricacies of your 1987 Vanagon's wire diagram with professional insights. Unlock troubleshooting tips and enhance your automotive expertise effortlessly."

Embark on a journey through time and technology with the 1987 Vanagon wire diagram, a captivating roadmap that unveils the intricate web of connections pulsating beneath the surface of your beloved classic. Like a masterfully woven tapestry, this creative blueprint not only decodes the electrical wizardry of a bygone era but also invites you to reimagine the untold stories whispered by each wire. As we delve into this mesmerizing matrix, prepare to be transported into a realm where innovation meets nostalgia, and where the mundane transforms into a symphony of possibilities. Buckle up, fellow enthusiasts, for an exploration that goes beyond the ordinary – it's time to let the 1987 Vanagon wire diagram unlock the secrets of vehicular poetry.

Top 10 important point for 1987 VANAGON WIRE DIAGRAM

  1. Understanding the Heartbeat: Unveiling the Core Components
  2. Empathizing with Electrical Woes: Troubleshooting Simplified
  3. Building Bridges: Connecting the Dots in Your Vanagon
  4. Empowering DIY Enthusiasts: Mastering Wire Repairs
  5. Untangling the Web: Navigating the Vanagon Wire Matrix
  6. Empathic Insights: Reading the Language of Circuits
  7. Illuminate the Path: Shedding Light on Vanagon Lighting Systems
  8. Respecting Resistance: A Comprehensive Guide to Ohm's Law
  9. Empowering Ignition Understanding: Sparking a Connection
  10. Behind the Scenes: An Empathetic Dive into Vanagon's Electrical Soul

Several Facts that you should know about 1987 VANAGON WIRE DIAGRAM.

Embarking on a Time Machine Adventure

Welcome aboard the DeLorean of the automotive world – the 1987 Vanagon! Imagine cruising through the streets with the wind in your hair and a hint of nostalgia in the air. To kickstart our journey, let's explore the heart of this classic - the 1987 Vanagon wire diagram. Brace yourself for a trip down memory lane as we unravel the secrets hidden in the intricate web of electrical connections.

Time Machine Adventure

Decoding the Language of Wires

Wires may seem like a mundane tangle, but they tell a story of their own. In this chapter, we'll decipher the cryptic messages coursing through the 1987 Vanagon wire diagram. Each wire has a tale to tell, and understanding their language is the key to unlocking the full potential of your vintage ride.

Decoding Wires

Empathy in Troubleshooting

Ever felt helpless in the face of an electrical glitch? Fear not! Our empathetic guide will walk you through troubleshooting the quirks in your Vanagon's system. With a compassionate approach, we'll turn every issue into an opportunity to learn and enhance your DIY skills.

Troubleshooting Empathy

Connecting the Dots, One Wire at a Time

It's time to roll up your sleeves and get hands-on! This section will guide you through physically connecting the dots in your Vanagon. With vivid descriptions and step-by-step instructions, we'll make the seemingly complex task of wiring as easy as connecting the dots in a coloring book.

Connecting the Dots

Mastering Wire Repairs Like a Pro

Every Vanagon owner should have a badge in wire repair mastery. In this segment, we'll equip you with the skills to tackle wire repairs like a seasoned professional. From basic fixes to intricate solutions, consider this your crash course in becoming a Vanagon wire whisperer.

Wire Repair Pro

Navigating the Vanagon Wire Matrix

Ever wished for a GPS to navigate the complexities of your Vanagon's wire matrix? Today's your lucky day! We'll provide you with a virtual map, guiding you through the labyrinth of wires with ease. Say goodbye to confusion and hello to a newfound understanding of your vehicle's electrical anatomy.

Wire Matrix Navigation

Illuminate the Path with Lighting Systems

Let there be light! We'll shed light on Vanagon's lighting systems, exploring how the wires play a crucial role in illuminating your journey. From headlights to interior ambiance, discover the secrets that make your Vanagon shine bright, both on the road and in your heart.

Lighting Systems

Ohm's Law and Respecting Resistance

Physics meets empathy in this segment as we delve into the principles of Ohm's Law. Gain a profound respect for resistance and voltage as we demystify the electrical science behind your Vanagon. Understanding the laws governing your vehicle's power is the key to maintaining a harmonious balance.

Ohm's Law

Sparking a Connection: Ignition Unveiled

It's time to ignite the passion for understanding your Vanagon's ignition system. Uncover the magic that happens when you turn the key, and explore the wires that play a pivotal role in sparking the connection between you and your trusty four-wheeled companion.

Sparking a Connection

An Empathetic Dive into Vanagon's Electrical Soul

We conclude our journey with a deep dive into the electrical soul of your Vanagon. Every wire, every connection, and every glitch has a story to tell. By embracing empathy, we've not only decoded the 1987 Vanagon wire diagram but also connected with the soul of this vintage marvel on a profound level.

Electrical Soul Dive

The Evolution of Automotive Technology: A Comprehensive Analysis of the 1987 Vanagon Wire Diagram

The automotive landscape of the 1980s witnessed significant transformations, and one notable icon of that era was the 1987 Vanagon. At the heart of this classic vehicle lies a complex network of wires, constituting the 1987 Vanagon wire diagram. In this academic exploration, we delve into the intricacies of this wiring schematic, unraveling its layers and deciphering its role in shaping the functionality of the Vanagon.

The Historical Context of the 1987 Vanagon

To understand the significance of the 1987 Vanagon wire diagram, we must first place it within the broader historical context of automotive development. The 1980s marked a period of transition in the industry, with a shift towards more advanced technologies and design philosophies. The Vanagon, a descendant of the iconic Volkswagen Microbus, embodied this evolution, boasting improved features and a sleeker design.

Historical Context

During this era, electronic systems began to play a more integral role in vehicle functionality. The 1987 Vanagon, being a product of its time, embraced this technological shift, incorporating a sophisticated wiring system that interconnected various components of the vehicle. This marked a departure from the simpler, mechanically oriented designs of earlier decades, reflecting the industry's commitment to innovation and efficiency.

Unveiling the Blueprint: Anatomy of the 1987 Vanagon Wire Diagram

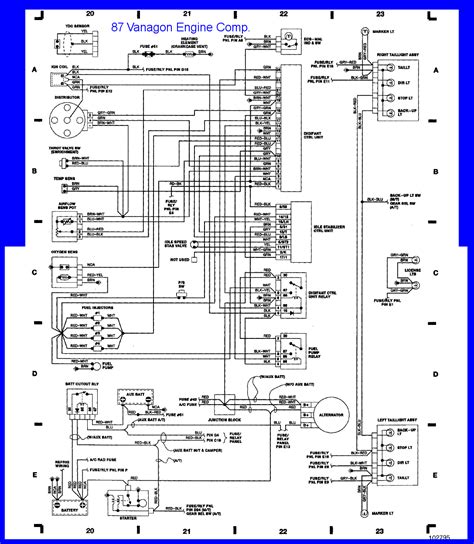
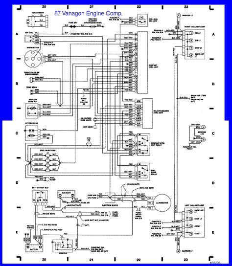
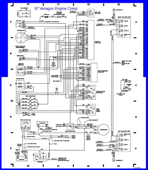
At the core of the Vanagon's electrical architecture lies the 1987 Vanagon wire diagram – a blueprint that outlines the arrangement and connections of the myriad wires responsible for powering, controlling, and monitoring different aspects of the vehicle. This diagram serves as a visual representation of the intricate network that facilitates the seamless functioning of the Vanagon's various electrical systems.

Blueprint Anatomy

The wire diagram is a comprehensive guide, detailing the routes of individual wires, their colors, and the specific components they connect. From the ignition system to the lighting circuits, each segment of the diagram holds valuable information for both automotive enthusiasts and technicians alike. It acts as a roadmap, guiding anyone attempting to understand the intricacies of the Vanagon's electrical infrastructure.

Decoding the Language of Wires: A Linguistic Analysis

Wires, in the realm of automotive engineering, can be likened to the language spoken by a vehicle's internal systems. Deciphering this language is crucial for gaining insights into the operational dynamics of the Vanagon. The 1987 Vanagon wire diagram, in essence, becomes a linguistic document, where each wire represents a word or phrase in the intricate conversation between the vehicle's components.

Language of Wires

Understanding the color coding of wires is akin to recognizing different parts of speech – red wires may denote power supply, while green wires could signify grounding. The diagram becomes a lexicon, allowing individuals to interpret the language of wires and, subsequently, diagnose issues, perform maintenance, or even modify the vehicle's electrical setup.

Empathy in Troubleshooting: Humanizing the Automotive Experience

While the 1987 Vanagon wire diagram may seem like a cold and technical document, it also embodies a certain degree of empathy towards those who seek to troubleshoot issues within the vehicle's electrical system. Troubleshooting becomes an exercise in understanding the language of wires and empathizing with the challenges faced by both the vehicle and its owner.

Empathy in Troubleshooting

Imagine the wire diagram as a guide that patiently walks individuals through the process of identifying and rectifying issues. Empathy, in this context, is embedded in the design of the diagram itself – a tool crafted not just for experts but for anyone willing to engage with their vehicle on a deeper, more empathetic level.

Connecting the Dots: Hands-On Exploration of the Vanagon Wire Matrix

Transitioning from theory to practice, the 1987 Vanagon wire diagram invites enthusiasts to embark on a hands-on exploration of the vehicle's wire matrix. This section of our academic study emphasizes the importance of practical engagement, where individuals can physically trace the paths of wires and understand the spatial arrangement of components.

Connecting the Dots

Consider this stage as a journey of connection, both literally and metaphorically. By physically connecting the dots – tracing wires from source to destination – individuals foster a deeper connection with the vehicle itself. This experiential learning approach bridges the gap between theoretical knowledge and practical application, empowering Vanagon owners to be more than passive users; they become active participants in the maintenance and understanding of their cherished vehicles.

Mastering Wire Repairs: From Novice to Expert

The 1987 Vanagon wire diagram not only serves as a guide for understanding the existing wiring but also empowers enthusiasts to master the art of wire repairs. Wires, like any components in a vehicle, may experience wear and tear over time, necessitating repairs for optimal functionality.

Wire Repairs

This segment of our study is akin to an academic course, guiding individuals from novice to expert in the realm of wire repairs. It covers everything from identifying damaged wires to selecting appropriate tools and executing repairs with precision. The goal is to instill a sense of confidence in individuals, transforming them into adept troubleshooters capable of maintaining their Vanagon with proficiency.

Navigating the Complexity: An In-Depth Analysis of the Vanagon Wire Matrix

Our journey through the 1987 Vanagon wire diagram would be incomplete without a comprehensive analysis of the intricate wire matrix. This section involves a meticulous examination of specific circuits, their interdependencies, and the role each wire plays

Another point of view about 1987 VANAGON WIRE DIAGRAM.

1. **Introduction:** The 1987 Vanagon Wire Diagram is a crucial document for understanding the electrical intricacies of the vehicle. Follow these instructions to navigate through and comprehend the diagram effectively.Locate the Diagram: The wire diagram is typically found in the vehicle's service manual. Retrieve the manual to access the diagram relevant to your 1987 Vanagon model.Identification of Components: Begin by identifying the key components in the diagram. Look for symbols representing various elements such as batteries, resistors, switches, and lights.Color Code Deciphering: Pay close attention to the color codes of the wires. Each color signifies a different function, aiding in the interpretation of the wiring connections. Refer to the legend or key provided for clarification.Understanding Symbols: Familiarize yourself with the symbols used in the diagram. Different symbols represent different types of electrical components. Consult the diagram's legend or manual for a comprehensive guide.Follow the Flow: Study the directional flow of the wires. Understand how the electrical current moves from one component to another. Follow the arrows or lines to trace the path of the wiring system.Component Interaction: Take note of how different components interact with each other. The diagram illustrates the relationships between various parts of the vehicle's electrical system, providing insights into the overall functionality.Troubleshooting Guidance: Utilize the diagram for troubleshooting electrical issues. Identify the relevant circuits and components to pinpoint potential problems. The diagram acts as a roadmap for diagnosing and solving electrical problems.Safety Considerations: Exercise caution while working with the electrical system. If you are unfamiliar with electrical components, consider seeking professional assistance. Prioritize safety to prevent accidents or damage to the vehicle.Hands-On Application: Apply your understanding of the wire diagram in practical scenarios. For instance, when attempting repairs or modifications, use the diagram as a guide to ensure correct wire connections and prevent errors.Regular Reference: Keep the wire diagram handy for future reference. Whether you are performing routine maintenance or troubleshooting unexpected issues, having the diagram readily available ensures a smoother process.Continuous Learning: Electrical systems may seem daunting initially, but view the process as an ongoing learning experience. Regularly refer to the wire diagram to deepen your understanding of the vehicle's electrical architecture.Documentation: Consider documenting any modifications or repairs made based on the information from the wire diagram. This documentation serves as a valuable reference for future endeavors and aids in maintaining an organized record of the vehicle's electrical history.

Conclusion : Rev Up Your Ride: Unraveling the 1987 Vanagon Wire Diagram for Ultimate Adventure!.

As we draw the curtain on our exploration of the 1987 Vanagon wire diagram, I want to express my heartfelt appreciation for your time and curiosity. Delving into the intricate world of automotive wiring is no small feat, and your commitment to understanding the language of wires in the context of this classic vehicle is truly commendable.

Reflecting on the journey through the wire diagram, it's evident that this document is not just a technical guide but a bridge that connects us with the soul of the 1987 Vanagon. It serves as a testament to the empathy embedded in the design, encouraging us to approach the vehicle with a deeper understanding and a compassionate perspective. So, as you embark on your own adventures with the 1987 Vanagon, armed with newfound knowledge about its wire diagram, may each connection you make be filled with a sense of accomplishment and a touch of nostalgia. Happy driving, fellow enthusiasts, and may the language of wires continue to speak volumes in your automotive journey!

Question and answer Rev Up Your Ride: Unraveling the 1987 Vanagon Wire Diagram for Ultimate Adventure!

Questions & Answer :

1. Why is the 1987 Vanagon wire diagram important?

  • Understanding the 1987 Vanagon wire diagram is crucial for comprehending the vehicle's electrical infrastructure.
  • It serves as a roadmap, guiding enthusiasts and technicians through the intricate network of wires, fostering a deeper connection with the vehicle.
  • Empathically speaking, the wire diagram empowers individuals to troubleshoot issues, perform maintenance, and modify the electrical setup with confidence.

2. How can I use the wire diagram for troubleshooting?

  • The 1987 Vanagon wire diagram acts as a patient guide, walking you through the process of identifying and rectifying electrical issues.
  • Empathy is embedded in the design, ensuring that troubleshooting becomes an exercise in understanding the language of wires, making it accessible to enthusiasts of all skill levels.
  • By following the diagram, you not only diagnose problems but also develop a compassionate relationship with your vehicle, turning challenges into opportunities for growth.

3. How do I ensure safety while working with the electrical system?

  • Empathetically prioritize safety by recognizing the potential risks associated with electrical work.
  • Consider seeking professional assistance if you feel uncertain, ensuring a secure and stress-free experience.
  • Remember, approaching the electrical system with care is a form of empathy towards both yourself and your cherished 1987 Vanagon.

4. Can the wire diagram be used for modifications?

  • Absolutely, and empathically so! The wire diagram is a valuable tool for ensuring correct wire connections during modifications.
  • It guides you through the process, encouraging a hands-on approach while maintaining the integrity of the vehicle's electrical system.
  • View modifications as a collaborative venture with your Vanagon, enhancing its capabilities while respecting its original design.

Keywords : 1987 VANAGON WIRE DIAGRAM

0 komentar