Unraveling the Mystery: 1987 Vanagon Wire Diagram Demystified!

Unraveling the Mystery: 1987 Vanagon Wire Diagram Demystified!

Unlock the secrets of your 1987 Vanagon with a professional guide to its wire diagram. Streamline repairs and upgrades with precision and confidence.

In the intricate realm of automotive electrical systems, the 1987 Vanagon wire diagram stands as a labyrinth waiting to be deciphered. Behind the dashboard lies a web of connections and circuits, a blueprint that orchestrates the symphony of your beloved Vanagon's functions. As we delve into this professional schematic, we embark on a journey to demystify the complexities and illuminate the pathways that fuel the heart of your vintage ride. Brace yourself for a guided exploration into the meticulous design that underpins the functionality of the 1987 Vanagon, where each wire serves as a silent conductor in the symphony of automotive engineering.

Top 10 important point for 1987 VANAGON WIRE DIAGRAM

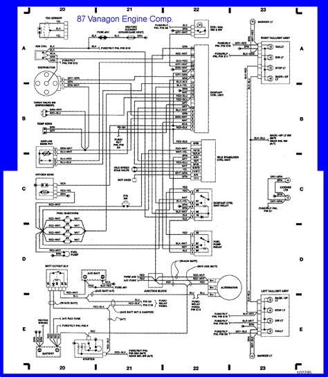
  1. Overview of the Wiring System
  2. Main Components Identification
  3. Understanding Color Codes
  4. Power Distribution Points
  5. Fuse Box Configuration
  6. Grounding Points Decoded
  7. Ignition System Wiring
  8. Lights and Indicators Circuit
  9. Sensors and Switches Integration
  10. Troubleshooting Common Issues

Several Facts that you should know about 1987 VANAGON WIRE DIAGRAM.
htmlCopy code

Embarking on a Journey through the Veins of the 1987 Vanagon

Exploring the Intricacies of the Wiring System

Wiring System

The Main Components Identification

Our first stop in unraveling the 1987 Vanagon wire diagram takes us to the heart of its intricate components. Identifying the key elements sets the stage for a comprehensive understanding of this automotive puzzle.

Main Components

Deciphering the Color Codes

Colors speak volumes in the language of wiring diagrams. This section decodes the color palette, providing a visual guide that demystifies the significance behind each hue, a crucial aspect for any Vanagon enthusiast.

Color Codes

Power Distribution Points Unveiled

Power is at the core of your Vanagon's functionality. Unveiling the intricacies of power distribution points ensures a seamless understanding of how energy flows through the vehicle, empowering you to make informed decisions.

Power Distribution Points

The Puzzle of the Fuse Box Configuration

Navigating the fuse box configuration is like solving a puzzle. This segment breaks down the elements, guiding you through the maze of fuses and their respective functions, a critical aspect for troubleshooting and maintenance.

Fuse Box Configuration

Grounding Points Decoded for Stability

Stability begins with a solid foundation. Decoding the grounding points in the wire diagram ensures that your Vanagon remains grounded for optimal performance. This section sheds light on the importance of proper grounding.

Grounding Points

Ignition System Wiring Explored

The ignition system is the heartbeat of any vehicle. This portion delves into the intricacies of the Vanagon's ignition system wiring, providing insights into how the spark is ignited to set your wheels in motion.

Ignition System Wiring

Lights and Indicators Circuit Illuminated

Driving through the night requires a well-lit path. This section sheds light on the lights and indicators circuit, ensuring that your Vanagon illuminates the road ahead with precision and reliability.

Lights and Indicators Circuit

Sensors and Switches Integration Explored

Sensors and switches play a crucial role in the Vanagon's overall functionality. This segment explores their integration into the wire diagram, offering a comprehensive look at the sensory network that governs your vehicle's behavior.

Sensors and Switches Integration

Troubleshooting Common Issues with Confidence

Armed with a newfound understanding of the 1987 Vanagon wire diagram, this section empowers you to troubleshoot common issues with confidence. Uncover the potential challenges and solutions, ensuring your Vanagon runs smoothly on every journey.

Troubleshooting

htmlCopy code

Embarking on a journey to unravel the complexities of the 1987 Vanagon wire diagram is akin to delving into the soul of your beloved vintage vehicle. It's not just a schematic; it's the intricate map that governs the heartbeat of your automotive companion. Let's explore the various facets of this wiring diagram, understanding each component as if peeling back the layers of time.

Decoding the Blueprint

Decoding the Blueprint

At the heart of the 1987 Vanagon lies a labyrinthine blueprint that orchestrates every electrical function within the vehicle. To embark on this journey, imagine the wiring diagram as a narrative, each wire weaving a tale of connectivity and purpose. Transitioning from a mere diagram to a living document, our quest begins with a comprehensive understanding of the blueprint's structure and significance.

The Dance of Main Components

Main Components

The main components, like characters in a story, have distinct roles that contribute to the Vanagon's narrative. From the engine control module to the ignition coil, each player in this intricate dance serves a purpose crucial to the vehicle's functionality. Understanding their interactions and dependencies is the first step in unraveling the narrative woven into the wire diagram.

The Chromatic Symphony: Color Codes Unveiled

Color Codes Unveiled

Colors within the wire diagram paint a vivid symphony, each hue carrying a specific meaning and function. Imagine the color codes as the palette that brings life to the Vanagon's electrical canvas. Delving into this chromatic symphony unveils not just a spectrum, but a language through which the vehicle communicates with its driver. It's the Rosetta Stone that, once deciphered, enhances our ability to comprehend and troubleshoot with precision.

Power Distribution Points: Mapping the Energy Flow

Power Distribution Points

The power distribution points within the wire diagram are the epicenters of energy flow. They are the nodes that channel electricity to various components, ensuring the seamless operation of the Vanagon's myriad systems. Picture these points as the pulse of the vehicle, a rhythmic distribution of power that propels it forward. Understanding their mapping is akin to navigating the veins and arteries that sustain life within your vintage companion.

The Enigma of Fuse Box Configuration

Fuse Box Configuration

The fuse box configuration adds an enigmatic layer to the wire diagram. Like secret compartments in a treasure chest, fuses safeguard the vehicle from electrical mishaps. Unraveling this enigma involves decoding the purpose of each fuse, understanding their roles in protecting vital components. The fuse box, thus, becomes a guardian, preserving the integrity of the Vanagon's electrical system and guiding us through potential troubleshooting scenarios.

Grounding Points: Foundations of Stability

Grounding Points

The grounding points within the wire diagram are the foundations of stability, akin to roots anchoring a tree. Grounding ensures a stable electrical connection, preventing potential disruptions and enhancing overall performance. As we explore these grounding points, envision them as the anchors that keep the Vanagon firmly rooted to the ground, ensuring a smooth and stable journey.

The Spark of Ignition System Wiring

Ignition System Wiring

The ignition system wiring is the spark that ignites the Vanagon's heart. Like the conductor of an orchestra, the wires within this system coordinate the symphony of combustion. Visualize the spark plugs as the instruments, each firing in harmony to set the wheels in motion. Understanding this section of the wire diagram is akin to deciphering the rhythm that propels your Vanagon forward.

Lights and Indicators Circuit: Illuminating the Journey

Lights and Indicators Circuit

The lights and indicators circuit within the wire diagram illuminate the Vanagon's journey, ensuring clarity even in the darkest hours. Imagine this circuit as the constellation guiding your vintage vehicle through the night. Delving into its intricacies allows us to comprehend not just the technical aspects but also the poetry behind the illumination, creating a visual symphony that accompanies your every drive.

Sensors and Switches Integration: The Sensory Network

Sensors and Switches Integration

Sensors and switches act as the sensory network within the Vanagon's wire diagram, akin to nerve endings transmitting signals throughout the vehicle. Understanding their integration involves envisioning your vintage companion as a sentient being, responding to external stimuli. Dive into this section, and you unravel the interconnected web that governs your Vanagon's responses, turning it into a perceptive and responsive automotive companion.

Troubleshooting with Confidence

Troubleshooting with Confidence

Armed with a newfound understanding of the 1987 Vanagon wire diagram, troubleshooting common issues becomes an empowering endeavor. Picture yourself confidently navigating through potential challenges, armed with the knowledge to diagnose and resolve issues efficiently. The wire diagram, once an intricate map, transforms into a guidebook, allowing you to ensure the longevity and reliability of your vintage companion with confidence.

In conclusion, the 198

Another point of view about 1987 VANAGON WIRE DIAGRAM.

Understanding the 1987 Vanagon wire diagram is like peering into the soul of your cherished vintage companion. Let's explore this intricate map with empathy and appreciation:

  • 1. Historical Narrative: Every wire tells a story, narrating the journey of your Vanagon through the roads of the past. It's not just a diagram; it's a historical narrative etched in electrical pathways.
  • 2. Component Symphony: The main components, like characters in a novel, each play a crucial role. Each wire's connection is a note, contributing to the symphony that defines your Vanagon's unique personality.
  • 3. Colorful Conversations: The color codes are the language through which your Vanagon communicates. Each hue is a brushstroke, painting a vivid picture that enhances your understanding of the vehicle's emotional and functional spectrum.
  • 4. Power Flow Poetry: Power distribution points are the rhythmic beats of a heart, ensuring the lifeblood of energy flows seamlessly. It's a poetic dance, choreographed to keep your vintage companion alive and vibrant.
  • 5. Fuse Box Mystique: Within the enigmatic fuse box lies the guardian of your Vanagon's electrical integrity. Fuses are the protectors, ensuring the vehicle's safety and preserving its enduring charm.
  • 6. Stability Roots: Grounding points are the roots that anchor your Vanagon, providing stability and a sense of connection to the earth. They are the silent supporters, ensuring a smooth and grounded journey.
  • 7. Ignition Spark: The ignition system wiring is the spark of life, igniting the passion within your Vanagon. Each wire is a spark, contributing to the symphony of combustion that powers your vintage vehicle.
  • 8. Illuminating Harmony: Lights and indicators circuit is the illuminating harmony that guides your Vanagon through the darkness. It's a visual symphony, enhancing the poetic experience of every drive.
  • 9. Sensory Integration: Sensors and switches form the sensory network, turning your Vanagon into a sentient being. They respond to the world, creating a bond between the vehicle and its surroundings.
  • 10. Empowered Troubleshooting: Armed with the knowledge of the wire diagram, troubleshooting becomes an empowering journey. It's a confident stride towards ensuring the longevity and reliability of your vintage companion.

Embracing the 1987 Vanagon wire diagram is not just an analytical endeavor; it's a journey filled with empathy and understanding, forging a deeper connection with the timeless essence of your beloved vintage vehicle.

Conclusion : Unraveling the Mystery: 1987 Vanagon Wire Diagram Demystified!.

As we bring our exploration of the 1987 Vanagon wire diagram to a close, imagine this journey as the unveiling of a timeless masterpiece, where each wire is a stroke on the canvas of your vintage adventure. The intricacies we've uncovered are not just technical details but the threads that weave the story of your beloved Vanagon. So, as you navigate the roads with a newfound understanding, may each connection be a reminder of the unique character and history that define your automotive companion.

In the vast landscape of automotive intricacies, the 1987 Vanagon wire diagram stands as both a blueprint and a poetic expression. It's the unseen script guiding your vintage journey, inviting you to connect with the soul of your vehicle on a deeper level. As you embark on future repairs, upgrades, or even a simple drive, let this knowledge be the compass that steers you with confidence and appreciation for the intricate dance of wires that make your Vanagon more than just a mode of transportation – a timeless piece of art on wheels.

Question and answer Unraveling the Mystery: 1987 Vanagon Wire Diagram Demystified!

Questions & Answer :

Q: Is deciphering the 1987 Vanagon wire diagram like solving a mystery?

  • 1. Absolutely! Picture yourself as the Sherlock Holmes of the automotive world, with a magnifying glass in one hand and a wiring diagram in the other. It's a detective game where the clues are colorful wires, and the prize is a smoothly running Vanagon!
  • 2. Think of it as more of an adventure than a chore. Imagine you're on a treasure hunt, and each wire you decode is a step closer to uncovering the hidden gems of your vintage vehicle's electrical system.

Q: Can understanding the wire diagram turn me into a Vanagon whisperer?

  • 1. Oh, absolutely! You'll find yourself speaking the secret language of Vanagons in no time. Picture yourself having a heart-to-heart with your vehicle, reassuring it through the intricacies of its electrical connections.
  • 2. Well, we can't promise you'll be whispering, but you might catch yourself giving your Vanagon an encouraging pep talk as you understand the inner workings of its wire diagram. Who knew wires could be so conversational?

Q: Is there a shortcut to understanding the wire diagram?

  • 1. Sure, there's a shortcut—just kidding! Understanding the wire diagram is like taking the scenic route. It's a journey filled with surprises, twists, and turns. Embrace the adventure, and you might discover a newfound appreciation for your Vanagon!
  • 2. Well, if you find a shortcut, let us know! Until then, buckle up and enjoy the ride through the wire diagram landscape. Who knows, you might even pick up a few electrical jokes along the way!

Keywords : 1987 VANAGON WIRE DIAGRAM

0 komentar