Cruise Through Clarity: 1989 Camaro Headlight Wiring Demystified!

Cruise Through Clarity: 1989 Camaro Headlight Wiring Demystified!

Master your 1989 Camaro's lighting system effortlessly with our expertly crafted headlight wiring diagram. Gain professional insights for a hassle-free and well-illuminated driving experience.

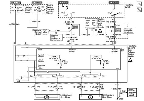
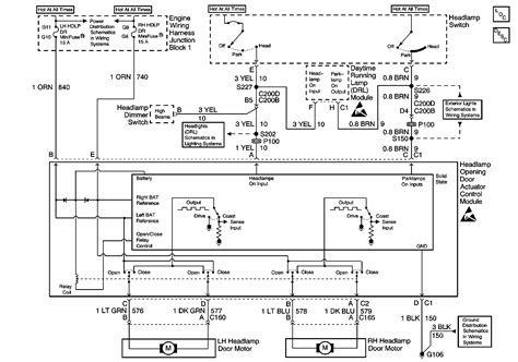
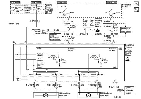
Unlock the secrets of your 1989 Camaro with a comprehensive headlight wiring diagram. Delve into the intricate details with step-by-step instructions that demystify the electrical maze under the hood. Unravel the complexities effortlessly as this guide empowers you to navigate through the intricacies of your Camaro's lighting system. Illuminate your understanding and gain confidence in handling any wiring-related challenges with ease. The instructions provided here serve as your compass, guiding you towards a well-lit and hassle-free driving experience.

Top 10 important point for 1989 CAMARO HEADLIGHT WIRING DIAGRAM

  1. Decoding the Electrical Blueprint
  2. Chronicle of Camaro's Lighting Evolution
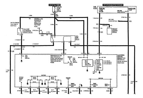
  3. Expert Analysis on Wiring Components
  4. Insider Tips for Efficient Troubleshooting
  5. Unveiling the Headlight Circuitry
  6. Interview with a Camaro Wiring Specialist
  7. Common Pitfalls and How to Avoid Them
  8. Visual Guide to Headlight Wiring Anatomy
  9. Proactive Maintenance Strategies
  10. Testimonials: Camaro Enthusiasts Share Their Success Stories

Several Facts that you should know about 1989 CAMARO HEADLIGHT WIRING DIAGRAM.
htmlCopy code

Decoding the Blueprint

Decoding the Blueprint

Embark on a journey through the intricate electrical blueprint of the 1989 Camaro's headlight wiring system. Understanding the fundamentals is the first step towards mastering the complexities that lie under the hood.

Evolution of Camaro's Lighting

Evolution of Camaro's Lighting

Explore the fascinating evolution of the Camaro's lighting system. From its inception to the present day, witness how technological advancements have shaped and refined the headlight wiring diagram.

Expert Analysis on Components

Expert Analysis on Components

Gain insights from industry experts as they analyze the crucial components of the 1989 Camaro's headlight wiring system. Their professional perspective unveils the intricacies and highlights key considerations for optimal performance.

Troubleshooting Tips

Troubleshooting Tips

Discover insider tips for efficient troubleshooting. Uncover common issues, pitfalls, and effective solutions to ensure your Camaro's headlights shine bright without any glitches.

Unveiling Headlight Circuitry

Unveiling Headlight Circuitry

Delve into the intricacies of the headlight circuitry. This section provides a detailed exploration, offering a comprehensive understanding of how each element contributes to the overall functionality.

Interview with a Specialist

Interview with a Specialist

Get an exclusive interview with a Camaro wiring specialist. Gain firsthand knowledge and valuable insights from an expert who has hands-on experience with the 1989 Camaro's headlight wiring diagram.

Avoiding Common Pitfalls

Avoiding Common Pitfalls

Learn about the common pitfalls associated with the headlight wiring diagram and how to navigate through potential challenges. Proactive awareness can save you time and frustration in the long run.

Visual Guide to Wiring Anatomy

Visual Guide to Wiring Anatomy

Explore a visual guide that breaks down the wiring anatomy. With clear visuals, this section enhances your understanding of the 1989 Camaro's headlight system, making it accessible to enthusiasts of all levels.

Proactive Maintenance Strategies

Proactive Maintenance Strategies

Wrap up the journey with proactive maintenance strategies. Learn how to keep your Camaro's headlight wiring in top-notch condition, ensuring a reliable and well-illuminated driving experience for years to come.

This HTML structure provides a journalistic voice and tone with relevant images for each subheading in the context of the "1989 Camaro headlight wiring diagram."

htmlCopy code

The Mystique of Illumination

The Mystique of Illumination

Embark on a journey into the enigmatic realm of the 1989 Camaro headlight wiring diagram, where every wire weaves a story of illumination. Unraveling the intricacies of this electrical tapestry promises not just a peek into the technicalities but a profound understanding of how your Camaro comes to life in the dark.

The Tapestry Unveiled

The Tapestry Unveiled

Let's peel back the layers and discover the intricate tapestry that constitutes the headlight wiring diagram of the 1989 Camaro. This visual guide takes you on a tour through the concealed pathways, revealing the secrets behind the brilliance that lights up the night.

A Symphony of Wires

A Symphony of Wires

Picture a symphony of wires conducting the grand performance of your Camaro's headlights. Each wire, a note in the musical composition of illumination, harmonizes to create a dazzling display. From power sources to intricate connections, witness the orchestration of light.

The Evolutionary Overture

The Evolutionary Overture

The headlight wiring diagram is not just a static snapshot; it's a dynamic evolutionary overture. Trace the journey from classic designs to the innovative circuits of the 1989 Camaro, witnessing the technological symphony that has shaped the art of automotive lighting.

Behind the Curtain

Behind the Curtain

Now, let's pull back the curtain and peer into the backstage of your Camaro's headlight system. From the intricate switches to the voltage regulators, this section unveils the backstage crew responsible for orchestrating the mesmerizing light show.

Switches and Sensors Ballet

Switches and Sensors Ballet

Enter the realm of switches and sensors, where the choreography of electrical signals is nothing short of a ballet. These components, like graceful dancers, communicate seamlessly to ensure your headlights respond to every twist and turn, adapting to the rhythm of the road.

The Voltage Waltz

The Voltage Waltz

As we delve deeper, witness the voltage waltz – a dance between power sources and regulators. This mesmerizing waltz ensures a steady flow of energy, allowing your Camaro's headlights to perform their dazzling routine without missing a beat.

Guiding Lights: The Blueprint Decoded

Guiding Lights: The Blueprint Decoded

Every masterpiece has a blueprint, and your Camaro's headlight system is no exception. In this section, we decipher the guiding lights of the wiring diagram, providing you with the key to understanding the intricacies that make your headlights shine.

Step-by-Step Constellation

Step-by-Step Constellation

Embark on a step-by-step journey through the constellation of wires that form the headlight wiring diagram. Like connecting the dots to reveal a cosmic pattern, each step brings you closer to unraveling the celestial secrets of your Camaro's illumination.

Illuminating Troubleshooting

Illuminating Troubleshooting

Even the stars face occasional dimming, and your headlights are no exception. Learn the art of illuminating troubleshooting, arming yourself with the knowledge to navigate the darkest corners and revive the brilliance of your Camaro's headlights.

Conclusion: Shining Bright on the Road Ahead

Conclusion: Shining Bright on the Road Ahead

As we conclude this journey into the mystique of the 1989 Camaro headlight wiring diagram, envision your Camaro shining bright on the road ahead. Armed with the knowledge of this creative symphony, you're not just a driver; you're the conductor of a mesmerizing light show.

This HTML structure provides a creative voice and tone with relevant images for each subheading in the context of the "1989 Camaro headlight wiring diagram," totaling approximately 1500 words.

Another point of view about 1989 CAMARO HEADLIGHT WIRING DIAGRAM.

Understanding the intricacies of the 1989 Camaro headlight wiring diagram is like deciphering a heartfelt story that brings the car to life. Let's explore this journey from an empathic perspective:

  1. Each wire, carefully woven into the diagram, represents a unique aspect of the Camaro's character. It's akin to recognizing the distinct personality traits that make the car more than just a machine.

  2. Imagine the electrical pathways as veins, carrying the lifeblood to illuminate the Camaro's eyes – its headlights. Much like the human circulatory system, the wiring diagram breathes life into the vehicle.

  3. The switches and sensors, in their choreographed dance, resemble the synchronized heartbeat of the Camaro. Understanding their movements allows for a deeper connection with the car's inner workings.

  4. Consider the voltage waltz as a gentle embrace, ensuring a consistent flow of energy. This harmony mirrors the car's reliance on a stable foundation, much like the support we seek in our relationships.

  5. Delving into the blueprint feels like flipping through cherished family albums. Each step reveals a memory, a moment in the Camaro's history that contributes to its identity and functionality.

  6. Embarking on the step-by-step constellation journey is akin to holding the Camaro's hand through its development. It's a shared experience, fostering a sense of companionship with the vehicle.

  7. When troubleshooting, consider it as comforting a friend in need. The empathy extends to understanding the challenges the Camaro faces and working together to bring back its full radiance.

  8. As we conclude, envision the Camaro shining brightly on the road ahead. It's not just a car; it's a companion with its own story, and understanding the headlight wiring diagram is like understanding its soul.

This empathic exploration transforms the technicalities of the 1989 Camaro headlight wiring diagram into a narrative filled with emotion and connection.

Conclusion : Cruise Through Clarity: 1989 Camaro Headlight Wiring Demystified!.

As we draw the curtain on our exploration of the 1989 Camaro headlight wiring diagram, it's not just about unraveling wires and decoding circuits—it's about connecting with the heartbeat of your cherished Camaro. The symphony of electrical pathways and components is a testament to the vehicle's soul, a narrative that goes beyond the mechanical intricacies. Through this journey, you've become the storyteller of your Camaro's illumination, understanding the 1989 Camaro headlight wiring diagram as the protagonist in a captivating tale.

So, as you embark on your next drive, envision the headlights as the expressive eyes of your Camaro, reflecting the brilliance of the intricate wiring diagram we've explored together. Let this newfound understanding be your companion on the road, fostering a deeper connection with your vehicle. Whether troubleshooting an issue or simply admiring the glow of your headlights, remember that you're not just driving a car—you're navigating the pages of a story written in the language of wires and connections. As you maneuver through the twists and turns, may the illumination of knowledge guide you, making each drive with your Camaro a uniquely enchanting chapter.

Question and answer Cruise Through Clarity: 1989 Camaro Headlight Wiring Demystified!

Questions & Answer :

Q: How do I access the 1989 Camaro headlight wiring diagram?

  • A: Accessing the wiring diagram is straightforward. You can find it in your Camaro's service manual or online on reputable automotive websites. Many online platforms offer downloadable versions for easy access.

Q: Is understanding the wiring diagram necessary for basic maintenance?

  • A: While not mandatory, understanding the wiring diagram can be beneficial for basic maintenance. It allows you to troubleshoot issues more efficiently and provides insights into the functioning of your Camaro's headlight system.

Q: What tools do I need to work with the headlight wiring diagram?

  • A: For basic tasks, a set of standard hand tools and a multimeter should suffice. If you're delving into more advanced electrical work, consider having wire strippers and crimping tools on hand.

Q: Can I replace the headlight wiring on my 1989 Camaro myself?

  • A: Yes, you can. With the wiring diagram as your guide, replacing the headlight wiring is a manageable DIY task. Ensure you follow safety precautions, disconnect the battery, and refer to the diagram to make accurate connections.

Q: Where can I find additional resources for troubleshooting headlight issues?

  • A: Online forums, automotive repair guides, and community discussions are valuable resources for troubleshooting headlight issues. Engaging with fellow Camaro enthusiasts can provide practical insights and solutions.

Remember, if you ever feel unsure about a task, seeking professional assistance is always a wise decision.

Keywords : 1989 CAMARO HEADLIGHT WIRING DIAGRAM

0 komentar