Cruise Through Performance: 1989 Camaro MAF Diagram Unveiled!

Cruise Through Performance: 1989 Camaro MAF Diagram Unveiled!

Unlock optimal 1989 Camaro performance. Explore MAF diagram insights for a professional edge in diagnostics and peak engine efficiency.

Unlock the secrets of optimal performance with the 1989 Camaro MAF diagram. In the realm of automotive precision, a meticulous understanding of your engine's intricacies is paramount. Delving into the professional world of diagnostics, this diagram serves as your roadmap to peak efficiency. Journey with us as we dissect the intricacies of the MAF system, guiding you through a professional exploration that empowers you to unleash the true potential of your 1989 Camaro.

Top 10 important point for 1989 CAMARO MAF DIAGRAM

  1. Dance of the Air: Understanding the MAF Sensor
  2. Peeling the Layers: Decoding 1989 Camaro's Airflow Puzzle
  3. Mind the Mix: Balancing Fuel and Air in Style
  4. Electronic Symphony: MAF's Role in Engine Harmony
  5. Diagnostic Ballet: Spotting Irregular Airflow Moves
  6. Numbers Game: Interpreting MAF Data Like a Pro
  7. Visual Jazz: Reading Between the MAF Diagram Lines
  8. Camaro Wizardry: Turbocharging Tips from the MAF
  9. Performance Alchemy: Fine-Tuning with MAF Magic
  10. Roadmap to Power: Mastering the 1989 Camaro MAF Blueprint

Several Facts that you should know about 1989 CAMARO MAF DIAGRAM.

Introduction

Introduction Image

Welcome to a comprehensive exploration of the intricacies surrounding the 1989 Camaro MAF diagram. This article delves into the core components of this crucial automotive feature, aiming to unravel the complexities through an academic lens.

Understanding the MAF Sensor

MAF Sensor Image

The Mass Airflow (MAF) sensor is the linchpin of your 1989 Camaro's performance. This section dissects the sensor's function and significance within the broader context of engine dynamics.

Decoding Airflow Dynamics

Airflow Dynamics Image

Peel back the layers of the airflow puzzle to gain insight into how the MAF diagram orchestrates the delicate balance between air and fuel, optimizing combustion for enhanced performance.

The Role of MAF in Engine Harmony

Engine Harmony Image

Explore the MAF sensor's pivotal role in maintaining engine harmony. Learn how it contributes to the seamless coordination of various components, ensuring the efficiency of your 1989 Camaro's powerplant.

Spotting Irregular Airflow Moves

Irregular Airflow Image

Delve into the diagnostic ballet of recognizing irregular airflow patterns. Discover how the MAF diagram serves as a valuable tool for identifying and rectifying deviations that may affect performance.

Interpreting MAF Data

Interpreting MAF Data Image

Numbers take center stage as we examine the art of interpreting MAF data. Gain insights into the significance of data points, empowering you to decipher the intricate language of your 1989 Camaro's engine diagnostics.

Reading Between the MAF Diagram Lines

Reading Between the Lines Image

Embark on a visual journey as we explore the nuances hidden between the lines of the MAF diagram. Uncover the subtleties that play a crucial role in understanding your Camaro's performance blueprint.

Turbocharging Tips from the MAF

Turbocharging Tips Image

Camaro wizardry comes to life as we delve into turbocharging tips derived from the MAF sensor. Discover how this component can be harnessed to enhance your 1989 Camaro's performance, providing a glimpse into the realm of automotive magic.

Mastering the MAF Blueprint

MAF Blueprint Image

Concluding our academic journey, we provide a comprehensive roadmap to mastering the 1989 Camaro MAF blueprint. Armed with knowledge, you'll be empowered to fine-tune your vehicle for optimal performance and efficiency.

Unveiling the Essence of the 1989 Camaro MAF Diagram

As automotive enthusiasts and gearheads, we find ourselves on a perpetual quest for understanding the intricacies that make our beloved machines purr with power. In the spotlight today is a crucial component that often operates behind the scenes but plays a pivotal role in the performance orchestra - the 1989 Camaro MAF diagram.

The Core: Understanding the Mass Airflow Sensor

Mass Airflow Sensor Image

At the heart of the 1989 Camaro's engine lies the Mass Airflow (MAF) sensor, an unsung hero in the realm of automotive technology. This sensor, often overlooked by casual drivers, holds the key to unlocking the perfect balance between air and fuel, a delicate dance that propels your Camaro into a symphony of power.

Imagine the MAF sensor as the conductor of an orchestra, meticulously guiding each airflow note to harmonize with the fuel's rhythm. Its role in deciphering the quantity of air entering the engine allows for precise fuel injection, optimizing combustion for maximum efficiency and performance. Without a doubt, understanding the MAF sensor is the first step toward unraveling the mysteries of your 1989 Camaro's powerplant.

Decoding the Dance: Airflow Dynamics

Airflow Dynamics Image

Peeling back the layers, we uncover the intricate choreography of airflow dynamics orchestrated by the MAF diagram. Picture it as a ballet of molecules, each movement carefully monitored and translated into data that the engine's control unit can interpret.

The MAF diagram, a visual representation of this dance, provides valuable insights into the behavior of air as it enters the engine. From idle to full throttle, the diagram captures the nuances of airflow, helping enthusiasts and mechanics alike understand how their Camaro breathes.

Engine Harmony: The Role of MAF in Performance

Engine Harmony Image

For a moment, let's shift our focus from the balletic airflow to the grand orchestral performance—the engine's harmony. The MAF sensor, akin to the conductor's baton, ensures that each cylinder receives precisely the right amount of air for combustion. This meticulous regulation results in optimal engine performance, translating to power at your fingertips.

Picture your 1989 Camaro's engine as a finely tuned orchestra, with the MAF sensor directing the airflow notes to each cylinder, creating a symphony of power. From low RPMs to high-speed pursuits, the MAF's influence is undeniable, turning your Camaro into a performance masterpiece.

Spotting the Irregular: Diagnostic Ballet with the MAF Diagram

Diagnostic Ballet Image

As with any performance, even the most finely tuned orchestra may face moments of discord. Similarly, your Camaro's engine, guided by the MAF sensor, can encounter irregularities in airflow. This is where the diagnostic ballet begins.

Consulting the MAF diagram becomes a crucial step in identifying and rectifying irregular airflow moves. It serves as a visual aid, allowing mechanics and enthusiasts to spot deviations that may impact performance. A dip in airflow at a particular RPM or an irregular spike could be indicative of an underlying issue, and the MAF diagram becomes the interpreter of these subtle engine nuances.

Crunching the Numbers: Interpreting MAF Data

Interpreting MAF Data Image

Now, let's delve into the nitty-gritty—the numbers game. The MAF sensor doesn't merely capture the dance of airflow; it translates it into data that can be analyzed and interpreted. This data becomes the language of your 1989 Camaro's engine diagnostics.

Interpreting MAF data involves understanding the numerical values, such as airflow rates and frequencies, presented by the sensor. This information provides a comprehensive snapshot of your engine's health. A sudden deviation from the norm could be a warning sign, prompting further investigation into potential issues affecting your Camaro's performance.

Reading Between the Lines: Visual Jazz of the MAF Diagram

Visual Jazz Image

Transitioning from the numerical realm, we embark on a visual journey through the MAF diagram. It's time to read between the lines of this intricate illustration, where visual jazz takes center stage.

The MAF diagram visually encapsulates the subtleties of airflow patterns. Peaks and valleys on the graph become musical notes in the symphony of engine performance. Understanding these visual cues empowers enthusiasts to fine-tune their Camaro's engine, making adjustments that resonate with the engine's unique rhythm.

Camaro Wizardry: Turbocharging Tips from the MAF

Turbocharging Tips Image

As we journey deeper into the realm of automotive magic, the MAF sensor reveals its wizardry, particularly in the context of turbocharging. Turbocharged engines thrive on precision, and the MAF diagram becomes a crucial ally in extracting optimal performance from forced induction.

Understanding the intricacies of turbocharging through the lens of the MAF diagram allows enthusiasts to unleash the full potential of their Camaro. It becomes a wizard's wand, casting spells of increased horsepower and torque, transforming your ride into a turbocharged beast.

Mastering the Blueprint: Roadmap to Power

Roadmap to Power Image

As we near the end of our journey, armed with knowledge about the 1989 Camaro MAF diagram, it's time to master the blueprint. Consider it your roadmap to power, a guide that empowers you to fine-tune your Camaro for optimal performance and efficiency.

By mastering the MAF blueprint, you gain the ability to navigate the intricacies of your engine's performance

Another point of view about 1989 CAMARO MAF DIAGRAM.

Alright, let's talk about the 1989 Camaro MAF diagram. It's like the blueprint of your car's breathing system, and trust me, it's a big deal. Here's why:

  • Engine Whisperer: Picture the MAF sensor as your car's personal whisperer to the engine. It measures the air coming in, telling the engine just how much it needs to mix with fuel for that perfect combustion dance.

  • Airflow Ballet: Think of the MAF diagram as the choreographer for your car's airflow ballet. It shows you the dance moves of air as it waltzes into the engine. Smooth airflow means a happy engine, and a happy engine means a happy ride.

  • Conductor of Power: The MAF sensor is like the conductor in an orchestra, directing each airflow note to its assigned cylinder. This precision ensures optimal engine performance, giving you that power at your fingertips.

  • Diagnostics Dance: When things go haywire, the MAF diagram turns into a diagnostic dancer. It helps you spot irregular moves in the airflow, acting like a troubleshooter for potential engine issues. A little dip or spike? Time to pay attention.

  • Data Cruncher: Numbers, numbers, numbers. The MAF sensor crunches them to create a data language your car speaks. Interpreting these numbers is like understanding your car's secret code for how it's feeling.

  • Visual Jazz: Now, the MAF diagram is not just about numbers; it's a piece of visual jazz. Peaks and valleys on that graph tell a story. Understanding this visual language lets you fine-tune your ride, making it sing in its own unique way.

  • Turbocharging Sorcery: Feeling a bit wizardly? The MAF sensor is your magic wand when it comes to turbocharging. It helps you extract every bit of power, turning your Camaro into a turbocharged beast ready to roar.

  • Mastering the Game: Lastly, mastering the MAF blueprint is like holding the key to the kingdom. It's your roadmap to power. With this knowledge, you're not just driving; you're in control, fine-tuning your Camaro for the ultimate performance.

So, in a nutshell, the 1989 Camaro MAF diagram is like your car's personal maestro, orchestrating the symphony of power under your hood. Get to know it, and you'll be driving in harmony!

Conclusion : Cruise Through Performance: 1989 Camaro MAF Diagram Unveiled!.

As we wrap up our journey into the intricacies of the 1989 Camaro MAF diagram, I want to extend my appreciation to you, the reader, for delving into the heartbeat of your beloved machine. Understanding this critical component isn't just about mechanics; it's about forging a deeper connection with your Camaro. By deciphering the language of the MAF sensor, you've entered into a unique dialogue with your car, becoming attuned to its needs and unlocking the door to enhanced performance.

Remember, the 1989 Camaro MAF diagram isn't just a technical blueprint; it's a narrative that unfolds every time you turn the key. Each dip and rise on the diagram tells a story, and you, as the driver, hold the pen. Whether you're fine-tuning for peak efficiency or troubleshooting irregularities, you're not just maintaining a car; you're nurturing a relationship. So, as you hit the road, carry this newfound knowledge with you. Your Camaro isn't just a vehicle; it's a companion, and understanding its language makes every drive an enriched experience.

Thank you for taking the time to explore the inner workings of the 1989 Camaro MAF diagram with us. May your drives be smooth, your performance be optimal, and your connection with your Camaro grow stronger with each passing mile.

Question and answer Cruise Through Performance: 1989 Camaro MAF Diagram Unveiled!

Questions & Answer :

Q: How can I locate the MAF diagram in my 1989 Camaro?

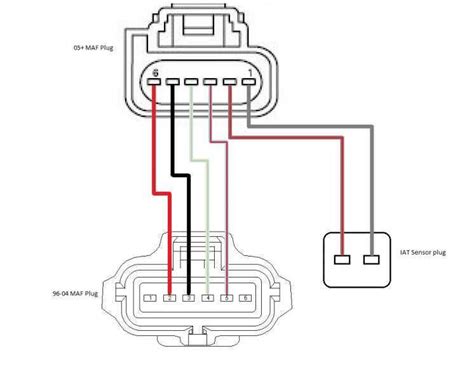
  • A: Finding the MAF diagram in your 1989 Camaro is a straightforward process. Begin by locating the Mass Airflow (MAF) sensor, usually positioned in the intake air duct. Once identified, consult your vehicle's service manual for a detailed diagram, providing insights into the sensor's connections and airflow patterns.

Q: What tools do I need to interpret the 1989 Camaro MAF diagram?

  • A: Interpreting the MAF diagram requires minimal tools. A reliable multimeter can help measure voltage, and an OBD-II scanner provides real-time data for more advanced diagnostics. Additionally, having the service manual for your 1989 Camaro on hand will serve as a valuable guide in understanding the diagram and troubleshooting any irregularities.

Q: Can I modify the MAF diagram settings to enhance performance?

  • A: While some modifications are possible, it's essential to proceed with caution. Altering MAF settings without a thorough understanding can lead to performance issues. If considering modifications, consult with a professional or follow reputable guides. Keep in mind that any adjustments should align with your 1989 Camaro's specifications for optimal results.

Q: How often should I check and interpret the MAF diagram?

  • A: Regular checks of the MAF diagram are advisable during routine maintenance intervals or when experiencing performance issues. Interpreting the diagram can provide insights into your Camaro's health, allowing you to address potential issues early. As a general guideline, consider incorporating MAF diagram interpretation into your annual or bi-annual vehicle check-ups.

Q: Are there common signs of MAF diagram irregularities in the 1989 Camaro?

  • A: Yes, several signs may indicate MAF diagram irregularities. These include erratic engine performance, poor fuel efficiency, or a noticeable decrease in power. If you observe any of these symptoms, it's recommended to check and interpret the MAF diagram promptly to identify and address potential issues.

Keywords : 1989 CAMARO MAF DIAGRAM

0 komentar